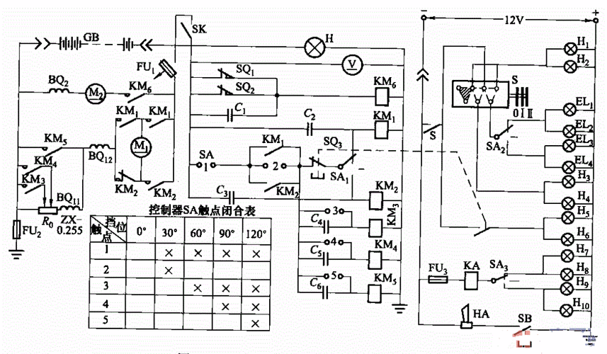
我们先来了解驻车制动器控制电路图

高清图片下载 免费 安全无风险
我们先来了解驻车制动器控制电路图

我们先来了解驻车制动器控制电路图

点击图片查看原图

图片信息

  • 格式: JPG
  • 尺寸: 640x464
  • 大小: 约1.2MB

版权声明

相关标签

自然风光 高清壁纸 4K画质

分享图片

相关推荐

基于当前图片的相似推荐

装载机液压系统原理图分析方法

cpd型it蓄电池铲车控制电路

一种装载机泵控混合动力液压系统及其控制方法

装载机液压系统技术方案

一种电动装载机液压系统及电动装载机的制作方法

无忧文档 所有分类 工程科技 电子/电路 重汽howo a7原理图

一种微型节能柴油四驱装载机

随机推荐

发现更多精彩图片

简单动漫人物绘画教程!|古风|插画|漫画_网易订阅

鸿日s1pro新能源低速电动车 方向刹车双助力油电两用边跑边发电

贵宾犬中的冷门 ——中型贵宾 绝对气质

来呀来呀快活呀 - 斗图表情包 - 斗图神器 - adoutu.com

小猪佩奇,佩德罗生病,护士小姐送了她贴纸呢!

骚扰女明星,发情不分物种|哺乳动物|多莉|巨蟒|宽吻_网易订阅

《杭州僧人托钵行脚》

我的三体剪辑水滴水滴冲我们来了