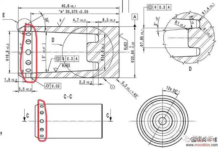
冲床专用圆管管牙冲断模具设计- 冲压模具图纸 - 沐风网

高清图片下载 免费 安全无风险
冲床专用圆管管牙冲断模具设计- 冲压模具图纸 - 沐风网

冲床专用圆管管牙冲断模具设计- 冲压模具图纸 - 沐风网

点击图片查看原图

图片信息

  • 格式: JPG
  • 尺寸: 820x568
  • 大小: 约1.2MB

版权声明

相关标签

自然风光 高清壁纸 4K画质

分享图片

相关推荐

基于当前图片的相似推荐

圆管立式双向冲缺口模

圆筒二次拉深模 冲孔模3套(cad图 ug三维)下载_注塑|冲压|模具_设计

圆管侧面圆孔用什么结构冲压?

加强圈冲孔翻孔模的二维图纸加工设计,图纸为加工图纸使用,内有标准

柴油机排气法兰落料冲孔复合模具设计(含全套cad图纸)

抖音版 圆管紧固件冲压模具(无废料)

冲小孔模具设计要点分析

请教不锈钢圆管冲孔模具

多孔件冲孔模设计- 设计方案图纸 - 沐风网

塑料圆筒注塑模具设计- 注塑模图纸 - 沐风网

随机推荐

发现更多精彩图片

你心中排名前三的古装男演员有哪些?

清远 黄腾峡漂流/牛鱼嘴云端玻璃桥/ 含午餐纯玩一日游【成人 08:30

张柏芝 秒变小说女主角哈哈哈 变身小说封面

中1班安全教育《预防打雷和闪电》

2020年高考开考,这些瞬间被定格

获奖作品《我的中国梦》

冬天房子插画卡通雪景jpg素材大雪背景

40款ps杂志封面文字排版模板.影楼工作室后期城市旅拍照,个 - 抖音

8,此时页面跳转回到该app登录界面,即该账号已经注销完成了.