tny266p开关电源芯片应用

高清图片下载 免费 安全无风险
tny266p开关电源芯片应用

tny266p开关电源芯片应用

点击图片查看原图

图片信息

  • 格式: JPG
  • 尺寸: 850x362
  • 大小: 约1.2MB

版权声明

相关标签

自然风光 高清壁纸 4K画质

分享图片

相关推荐

基于当前图片的相似推荐

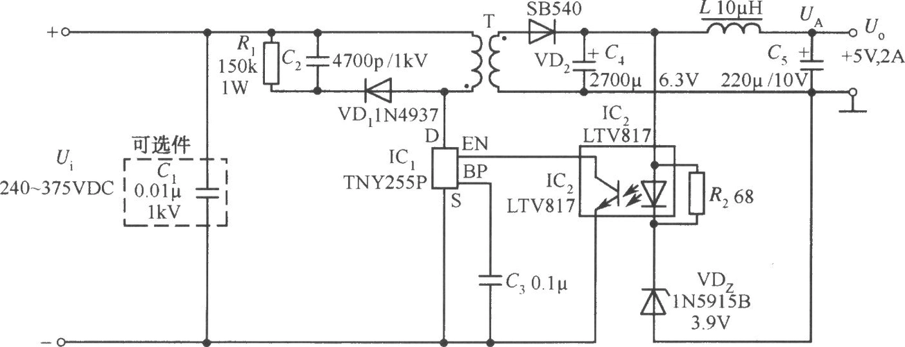
tny255p构成的5v,2a pc待机电源电路

三星手机充电器tny264p电路图

8v 输入/电源电压(最大值)265vac 输入/电源电压(最小值)85vac 占

基于tny277p的3路输出开关电源的设计

康舒小电源 艰难维修 被电2次 挺舒服的

vdc input l1 10 h 2 a r5 680 r6 59 1% d3 1n5822 u1 tny266

pn8366m低功耗小功率电源适配器ic

tny266p开关电源芯片应用

tny264开关电源电路图设计与应用

8 v 输入电源电压最小值: 85 vac 输入电源电压最大值: 265 vac

随机推荐

发现更多精彩图片

回车桌面>电脑壁纸>动物>可爱的小兔子文艺小清新写真>相关标签可爱的

琅琊榜十大高手排名,飞流实力超群却仅排第四,梅长苏深不可测_哔哩

[fgo]大流士三世宝具演示

"平远"号,中国自己制造的第一艘巡洋舰(下)

diabolik lovers##魔鬼恋人# 逆卷礼人×小森唯

适用领克03汽车左右前门后门尾后侧后三角窗总成玻璃前后挡风玻璃

可以分享几张大雄的可爱图片吗?

初二数学用坐标表示轴对称1[人教版]ppt

这是纯正的广西土猎,实用,不是柴犬秋田可比的,柴犬秋田动不动就是三

世界上最奇特的大王花!