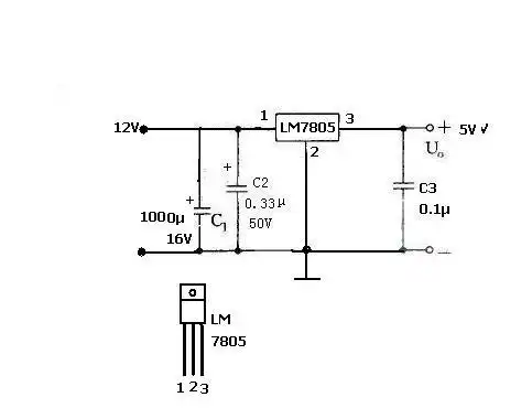
不用7805,7805发热太严重,不够节能,有没有节能的12v转5v电路,用芯片

高清图片下载 免费 安全无风险
不用7805,7805发热太严重,不够节能,有没有节能的12v转5v电路,用芯片

不用7805,7805发热太严重,不够节能,有没有节能的12v转5v电路,用芯片

点击图片查看原图

图片信息

  • 格式: JPG
  • 尺寸: 970x502
  • 大小: 约1.2MB

版权声明

相关标签

自然风光 高清壁纸 4K画质

分享图片

相关推荐

基于当前图片的相似推荐

12v转成5v的电路图 用于51单片机电路的 帮忙设计个

直流12v电源转化为5v的一些方案,供大家参考

用7085设计个直流变压电路图,要求实现12v转5v.

dc8v-150v转5v3a转12v5a电动车控制器专用集成电路

电子电路 电源模块 12v转换5v

12v转5v电源设计方案(lm2596浅谈)

12v转5v电源设计方案(lm2596浅谈)

升压电路原理 5v电源如何上升到12v?

xl6009设计的大电流5v转12v升压电路

12v,5v直流稳压电路设计问题,高分求助!

随机推荐

发现更多精彩图片

帅爆了易烊千玺四字弟弟的头像

男士面膜测评,男生面膜实测评实测第一名来看看吧#男生面膜 # - 抖音

还记得甄嬛传里的孟静娴吗她现在长这样

沉默是金简谱 沉默是金简谱张国荣-起航号

马克笔绘画马克笔儿童画百合花

网袋6色充棉加铃绒布球

渣滓洞大屠杀唯一女幸存者:躲进男厕尿槽里脱险,江姐睡在她上铺

武忠武国际跆拳道创始会员火热招募中 (截止100名)