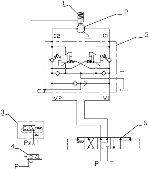
回转装置及挖掘机

高清图片下载 免费 安全无风险
回转装置及挖掘机

回转装置及挖掘机

点击图片查看原图

图片信息

  • 格式: JPG
  • 尺寸: 1000x709
  • 大小: 约1.2MB

版权声明

相关标签

自然风光 高清壁纸 4K画质

分享图片

相关推荐

基于当前图片的相似推荐

1. 首先是挖掘机回转大转盘的部分,去观察回转大齿

现代挖掘机回转装置系统结构原理图!

挖掘机的履带是怎么转动的?有何原理?

智造概论|关于小松pc挖掘机回转马达的详细讲解_机构

挖掘机回转机构发出异响的结构改进

山河智能swe210挖掘机中心回转接头

挖掘机培训班-回转机构的传动方式

一项提高挖掘机回转马达耐用性的方法

正反循环回转钻机成空原理

一种旋挖钻机的回转液压回路制造技术

r974b型挖掘机回转机构

日立挖掘机维修手册 上册最新章节_张凤山著_掌阅小说网

随机推荐

发现更多精彩图片

p>开普勒186f(英语:kepler-186f)是一颗环绕 a href="#" data-lemma

韩剧女神老公pk,李英爱的老公,孙艺珍的老公,韩佳人是最幸福的

伤感女生头像,有几张流泪的这也太伤心了

向党深情告白这里的官兵同党旗合影

最美的歌儿唱给妈妈简谱 - tanghaijiao0815的近况 - 5sing中国原创

科勒小便器陶瓷洁具k-16321挂墙式一体感应式小便斗智能小便池莫兰莎

cn210537840u_一种便于调节的v型葡萄架有效

3-8岁教程|滴滴滴,超轻粘土版小汽车来咯!

盘点老北京胡同文化里的六大最具特色的胡同

年过半百还在飞行的dc9f

中国最郁闷火车站曾为杭州地标性建筑如今把不少游客弄混淆