74ls系列集成电路引脚图

高清图片下载 免费 安全无风险
74ls系列集成电路引脚图

74ls系列集成电路引脚图

点击图片查看原图

图片信息

  • 格式: JPG
  • 尺寸: 740x822
  • 大小: 约1.2MB

版权声明

相关标签

自然风光 高清壁纸 4K画质

分享图片

相关推荐

基于当前图片的相似推荐

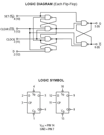
图4-3 74ls74引脚排列及逻辑符号

一,选用芯片74ls74,管脚图如下

二,74ls74:二分频计数器 脚号 引脚代码 引脚功能 clr1

74ls74引脚图 实验: 用74ls74构成4位寄存器 第1页

74ls74中文资料汇总74ls74引脚图及功能

74ls74芯片引脚图及管脚功能

74ls147编码器的逻辑符号

74系列数字电路74ls256.74f256.双4位可寻址锁存器

随机推荐

发现更多精彩图片

年轻时的曹颖自信满满穿裹身裙配侧条纹丝袜显瘦真有一套

情侣头像卡通呆萌一对 高清卡通呆萌情侣头像一对

博物馆纪念品钥匙扣姓氏斑点西安旅游创意百家

黑白火焰甲个性又时尚的美甲你心动吗

诸葛点评风扉全球的teespring的t恤销售模式在中国可行吗

乳腺钼靶:摄取乳腺侧斜位或侧位,轴位x线片.

高加索列国志(三)"烈火守卫"阿塞拜疆

梦幻海底世界,遛娃一点也不累

the legend of elvis continues, its now and ever

关键词:出水芙蓉 荷花 水纹 炫彩 移门背景 背景素材 psd分层素材 源

元臻鲜烤鳕鱼片古法烹饪鳗鱼新生