名机从现实穿越到《飞机总动员》中的飞机原型

高清图片下载 免费 安全无风险
名机从现实穿越到《飞机总动员》中的飞机原型

名机从现实穿越到《飞机总动员》中的飞机原型

点击图片查看原图

图片信息

  • 格式: JPG
  • 尺寸: 650x329
  • 大小: 约1.2MB

版权声明

相关标签

自然风光 高清壁纸 4K画质

分享图片

相关推荐

基于当前图片的相似推荐

皮克斯动画片飞机总动员中的飞机原型

皮克斯动画片飞机总动员中的飞机原型

那些超级飞侠的飞机原型竟然真的硬核?

皮克斯动画片飞机总动员中的飞机原型

动画电影中的飞行世界锦标赛 飞机总动员两部原型_搜狐汽车_搜狐网

名机从现实穿越到《飞机总动员》中的飞机原型

盘点宫崎骏笔下的飞机原型看看你都知道哪些

动画电影中的飞行世界锦标赛 飞机总动员两部原型_搜狐汽车_搜狐网

动画电影中的飞行世界锦标赛 飞机总动员两部原型_搜狐汽车_搜狐网

名机从现实穿越到《飞机总动员》中的飞机原型

动画电影中的飞行世界锦标赛 飞机总动员两部原型_搜狐汽车_搜狐网

名机从现实穿越到《飞机总动员》中的飞机原型

随机推荐

发现更多精彩图片

小丑壁纸|假如有一天小丑哭了, 你是否也认为他在笑.

心只有一颗伤了补不好凉了暖不回

迄今最清晰冥王星照片让科学家们惊呆了

鱼木:别名蜘蛛树,山柑科,鱼木属落叶乔木,枝杆的

【图】红色大g 超喜欢_奔驰g级论坛_汽车之家论坛

工业分布: 读图查找:读大 地图册p124 导与练p30 京滨工业区,阪神工业

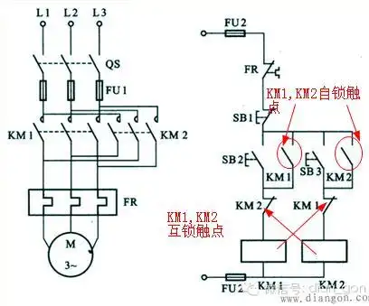
接触器互锁电路图的具体分析 如接触器是怎样互锁的

庞贝古城一具被凝固材料包裹的尸体

天上的那是什么?spacex火箭?但看起来有点不像

2024新款安吉白茶包装盒空礼盒高档通用白茶礼盒装空盒5罐半斤装

拍照识花app一秒钟就可以识别出来

实践探究一厘米,一分米,一米有多长,!一公顷有多大!