2 mcp3906的引脚功能 mcp3906采用24引脚ssop封装,其引脚排列

高清图片下载 免费 安全无风险
2 mcp3906的引脚功能      mcp3906采用24引脚ssop封装,其引脚排列

2 mcp3906的引脚功能 mcp3906采用24引脚ssop封装,其引脚排列

点击图片查看原图

图片信息

  • 格式: JPG
  • 尺寸: 447x463
  • 大小: 约1.2MB

版权声明

相关标签

自然风光 高清壁纸 4K画质

分享图片

相关推荐

基于当前图片的相似推荐

三款uc3906典型应用电路分享

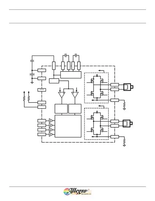
图1 uc3906内部结构框图

smbt3906 pdf下载及第5页内容在线浏览

uc3906引脚功能uc3906内部方框图

liteon三极管mmbt3906封装sot23晶体管丝印2a贴片三极管

科学家开发高效偶联适体新方法,推动新型功能性核酸生

a3906sestr-t,a3906sestr-t pdf中文资料,a3906sestr-t引脚图,a3906

主要部分:原理图:照片:k1410 三极管d类功放(试验,1.1版)

mmpq3906参数datasheetpdf下载

随机推荐

发现更多精彩图片

关智斌与赵丽颖深厚友谊曝光

有没有实用又好看的电脑分区壁纸? - 知乎

拟人单单主的短发球胜狼

笔触苍劲有力,肌理感强,让人陶醉其中!

有趣又可爱:小鲨鱼表情包

微笑女孩_素材_图片-千库网

新到进口17年福特野马,个人一手车,实表9万公里,2.

槽钢层的特点是什么

易学易练简谱手风琴流行金曲集流行金曲合集手风琴基础教程手风琴谱书

李亚强主持召开鄢陵县政府第112次常务会议