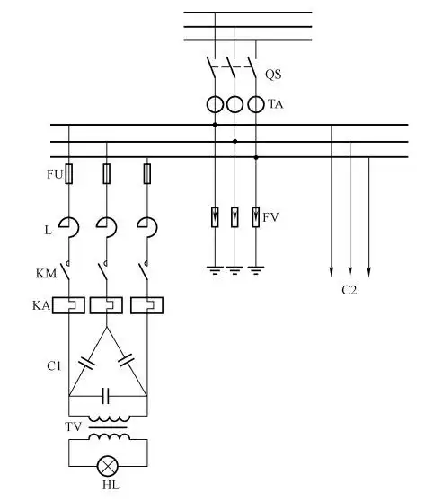
怎么给电容器充电?是用变压器吗?

高清图片下载 免费 安全无风险
怎么给电容器充电?是用变压器吗?

怎么给电容器充电?是用变压器吗?

点击图片查看原图

图片信息

  • 格式: JPG
  • 尺寸: 500x259
  • 大小: 约1.2MB

版权声明

相关标签

自然风光 高清壁纸 4K画质

分享图片

相关推荐

基于当前图片的相似推荐

uv灯变压器和电容如何接线使之能正常工作!

uv灯,uv变压器,uv电容接线方法!_功率_输出_接入

定制 工厂纯铜线uv变压器 镓灯汞灯变压器 固化uv灯管专用变压器 汞灯

12kw卤素uv变压器的接线部分

微波炉高压电容器怎样接线?

空调压缩机启动电容接线

额定电压为400v的电容器一次接线如下图所示

5kw恒压供水变频器 220v单进三出变频器

微波炉的变压器是怎么和它的高压电容连接的

深圳公明11kw铜线变压器 uv紫外线固化水银灯管专用 变压器 铜

单相恒压供水变频器免拆电容_接线图分享

随机推荐

发现更多精彩图片

巴拉圭挑战英雄与暴君的定义独裁or民族英雄

白雪公主简笔画【人物简笔画】 93又是迪士尼系列哦,打算及其所有

be文 几天后,赛罗来到赛文身边 "老爹,我最近学会了一个魔术,你要看吗

是稿子哦大家七夕快乐#付费委托 #斗罗大陆 #小舞

小学生漂亮的抗疫主题儿童画致敬医护工作者-图6

形状七十二变 梯形变变变零基础学画简笔画

北京远洋邦舍青年路公寓共享社交空间与私密生活空间的融合

骄傲的反义词是什么?

那些年,武警部队用过的刺刀