三相异步电动机接线盒内是怎样连接的?

高清图片下载 免费 安全无风险
三相异步电动机接线盒内是怎样连接的?

三相异步电动机接线盒内是怎样连接的?

点击图片查看原图

图片信息

  • 格式: JPG
  • 尺寸: 363x282
  • 大小: 约1.2MB

版权声明

相关标签

自然风光 高清壁纸 4K画质

分享图片

相关推荐

基于当前图片的相似推荐

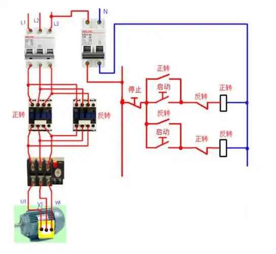
图1-23 三相异步电动机正反转控制接线图

施耐德三相电交流接触器怎么接微信

三相异步电动机接线图

两台三相异步电动机电机互锁,b运转后,a才能运转,不然不能启动.

表1 三相三线计量用互感器类别,数量及接线方式三相三线计量用互感器

浅谈三相电表及接线

三相三线终端接线图

接触器控制三相电机正反转接线,大俵哥最后发一次需要的收藏

三相三线制电能表接电流互感器的接线方法_电气技术_新满多

怎么用接近开关控制三相电动机 正反转,电动机是0.

随机推荐

发现更多精彩图片

重构经典武侠ip大侠霍元甲开篇劲爆赵文卓武戏引人入胜

2月19日是火影忍者二代目火影千手扉间的生日

高清手机锁屏壁纸来啦

拥有你我的世界才能完美 2 我想着我们的回忆,不知不觉的眼泪掉了下来

buddhastatuestemplesbronzebellsandwoodenfishihaveread

求几张《fate》系列里saber,凛的精美图片

妙丹堂汗斑净 汗斑露 白斑花斑癣白癜风补骨脂止汗抑菌液

包图网提供精美好看的冰雪世界黑白涂色手抄报word模版素材免费下载

【发现 2021款】路虎_发现 2021款报价_图片_汽车之家

菜鸡互啄-镇魂手书海报字体