照94感谢摄影师@8楼尼尼酱成全我的仪式感91愿年龄只是数字而已

高清图片下载 免费 安全无风险
照94感谢摄影师@8楼尼尼酱成全我的仪式感91愿年龄只是数字而已

照94感谢摄影师@8楼尼尼酱成全我的仪式感91愿年龄只是数字而已

点击图片查看原图

图片信息

  • 格式: JPG
  • 尺寸: 1080x1440
  • 大小: 约1.2MB

版权声明

相关标签

自然风光 高清壁纸 4K画质

分享图片

相关推荐

基于当前图片的相似推荐

燃烧蜡烛的形式为31三十一数字日期的蛋糕孤立的黑色背景庆祝生日周年

31岁,生日,数字,喜庆,蜡烛,假日,蛋糕,周年纪念

彩色矢量插图的标志模板红色数字31和灰色文本年周年纪念孤立在白色

在日历上,数字31,新的旧年

31周年纪念标识与银色多线性数字.暗背景下的矢量插图

金黄数字三十 (数字 30) 和词 "岁月" 反对金属长方形平行六面体的

三十一事件1月31日白色背景, 数字和信件照片

白色背景上的红色数字31插图3d渲染

阿拉伯数字31三十一从黑色的天然木炭是

数字31的含义 数字31的吉凶

随机推荐

发现更多精彩图片

男装品牌排行榜前十名(国产男装品牌排行榜前十名)

简谱 | 搜谱——打造全国最大的歌谱搜索引擎-75720-芊芊歌谱网

还在给女神推荐甲壳虫?车库该更新了!

英雄联盟豹女的夹子可以用作队友的传送吗

赖美云,紫宁,杨芸晴,李紫婷,傅菁,徐梦洁这11位女孩组成"火箭少女"

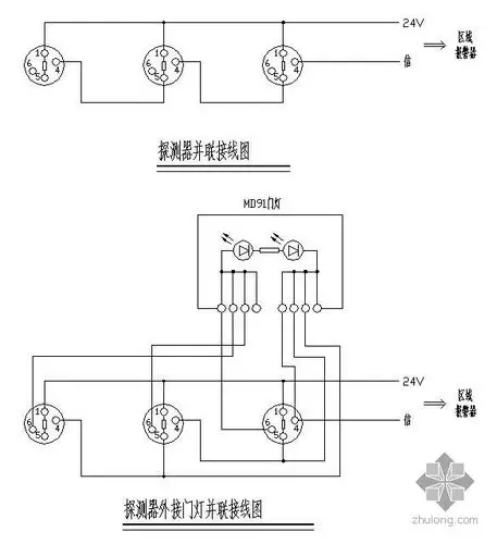
内容简介 资料介绍了探测器并联接线及探测器外接门灯并联接线.

南昌舰单刀赴会,直面外军航母编队

黄金葵胶囊多少钱一盒全国统一价格【必看】

吊牌定做女童男服装吊卡纸挂牌定制衣服高档商标吊牌标签纸卡订做

睡不着经典心情说说失眠图片带说说