自调冰雪奇缘2艾莎头像勿二转

高清图片下载 免费 安全无风险
自调冰雪奇缘2艾莎头像勿二转

自调冰雪奇缘2艾莎头像勿二转

点击图片查看原图

图片信息

  • 格式: JPG
  • 尺寸: 1000x880
  • 大小: 约1.2MB

版权声明

相关标签

自然风光 高清壁纸 4K画质

分享图片

相关推荐

基于当前图片的相似推荐

个人向持续收集一些冰雪奇缘2艾莎的图看图冰雪大冒险吧百度贴吧

迪士尼——frozen2 冰雪奇缘2 elsa艾莎

冰雪奇缘2# 艾莎 头像.

冰雪奇缘艾沙图片头像大全高清女王艾沙公主图片头像

蓝色背景的冰雪奇缘艾莎头像

冰雪奇缘2艾莎变身头像_微信头像图片大全

冰雪奇缘2#艾莎女王头像,又纯又a的小姐姐果然才是我的真爱7815

随机推荐

发现更多精彩图片

陈妍希终于换发型,蓝色挑染短发配星星眼妆,个性又时髦 - cosmedna

乙瑛碑集字作品五十幅

司藤景甜壁咚强吻张彬彬这幕连看10遍都不够简直太上头了

新品上市9800电推剪电推子 日威电推剪 成人儿童理发器 婴儿 电动

你要爱上妾身哦!#王者荣耀 #二次元 #cos #貂蝉 #卡 - 抖音

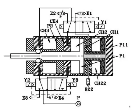
这是个双行程气缸,但我有些看不懂他的工作原理,谁能帮我结合图片具体

油画作品:金山(背靠金山) - 抖音

关于长岛县农村信用体系建设的调查与思考

火影忍者木遁真数千手的三次召唤被火粉认可的最强忍术

花种子四季播种易活阳台盆栽多年生组合套餐四季开花籽花卉种子ab共60