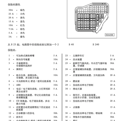
13大众帕萨特机舱9好保险丝熔断

高清图片下载 免费 安全无风险
13大众帕萨特机舱9好保险丝熔断

13大众帕萨特机舱9好保险丝熔断

点击图片查看原图

图片信息

  • 格式: JPG
  • 尺寸: 853x1632
  • 大小: 约1.2MB

版权声明

相关标签

自然风光 高清壁纸 4K画质

分享图片

相关推荐

基于当前图片的相似推荐

全新帕萨特保险盒示意图

金泉网 吸烟与重疾的关系 > 正文2017年8月2日现代 名图 车内 保险丝

汽车保险丝,老司机都不一定全面了解!

各车型保险丝盒图解详细说明第二弹(含11款车型)

8t报p2294 p2295_大众_帕萨特_汽车大师

1**21**2mag技师李先强没有ac保险1**2保险丝盒内a/c mag保险丝看下

进口汽车保险丝大众奥迪a6l斯柯达明锐 晶锐朗逸迈腾新宝来高尔夫

上海大众全新帕萨特轿车_27_保险丝电路图

寻找一个熔丝继电器的说明图示

新桑塔纳保险丝盒图解 (第1页) - 图说健康

17帕萨特保险丝说明图13帕萨特保险盒说明图

2002年大众帕萨特保险分配

随机推荐

发现更多精彩图片

京客隆东坝店大量销售过期的蒙牛臻享浓牛奶

古典舞《墨》刚柔有度,舞姿飘逸【单色舞蹈】

西晋二十一州之秦州|秦州|天水郡|公元_新浪新闻

乙烯的空间结构-爱问教育培训

服装手绘/浪漫衬衫款式图95设计师必备.

重庆第二国际机场选址璧山正兴,会给重庆的发展带来哪些变化?

个性网-qq头像-求另一半_情侣_女生_男生

商人克服与金融箭头的差距.挑战和成长理念.3d 渲染

肥东县石塘镇:大力推进美丽乡村建设 努力提升群众幸福感满意度