住宅平面图上用黑色标注的墙都是承重墙吗

高清图片下载 免费 安全无风险
住宅平面图上用黑色标注的墙都是承重墙吗

住宅平面图上用黑色标注的墙都是承重墙吗

点击图片查看原图

图片信息

  • 格式: JPG
  • 尺寸: 1805x858
  • 大小: 约1.2MB

版权声明

相关标签

自然风光 高清壁纸 4K画质

分享图片

相关推荐

基于当前图片的相似推荐

在a3图幅中绘制以下的房屋平面图图1并进行尺寸标注本题共100分要求1

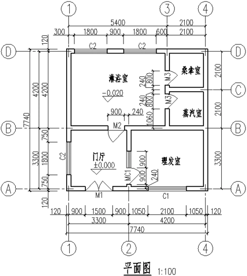
房间平面图,各项数据己标注,设计图可按提供的数据设计

建筑施工平面图之标注

如何标注一副平面图的轴线尺寸和总尺寸

画完之后在图的下方长仿宋字体标注图名和比例

给户型图标注尺寸的方法

板图上有个标注上下各两根是什么意思啊

图示方法: 1)比例 2)图线 3)轴线编号 4)图例 5)尺寸标注

想请教有平法标注的基础平面图但没有基础剖面图会影响挖沟槽量基础的

本设计为某地大型十一层住宅楼建筑方案图(标注详细)

随机推荐

发现更多精彩图片

小宋佳的两任老公是谁小宋佳的复杂情史私生活遭扒图

罗大佑《皇后大道东》东芝版-音乐cd-7788收藏

小麦田主要杂草图谱分布及发生规律

2016年7月23日,上海,全息虚拟的国产女神洛天依在某二次元演唱会为

什么牙.#狼牙 #狗牙 #文玩 #万物皆可盘 #文玩爱好者 - 抖音

常柴单缸水冷柴油机油箱zs1100/1105/zs1110/1115e型油箱水箱

小区运动设施有哪些常见的小区运动设施有哪些

龙凤cp润玉x旭凤无妨爱我淡薄但求爱我长久

1018 工笔马 立轴 绢本