家庭配电箱配置接线图,终于有人整理出来了,清晰易懂,收藏看看

高清图片下载 免费 安全无风险
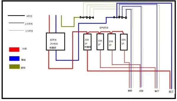
家庭配电箱配置接线图,终于有人整理出来了,清晰易懂,收藏看看

家庭配电箱配置接线图,终于有人整理出来了,清晰易懂,收藏看看

点击图片查看原图

图片信息

  • 格式: JPG
  • 尺寸: 640x872
  • 大小: 约1.2MB

版权声明

相关标签

自然风光 高清壁纸 4K画质

分享图片

相关推荐

基于当前图片的相似推荐

家庭配电箱配置接线图,终于有人整理出来了,清晰易懂,收藏看看

下面的家用配电箱接线图可以参考

220v配电箱接线图怎么接线

家庭配电箱配置接线图,终于有人整理出来了,清晰易懂,收藏看看

配电柜的电流互感器与电表的接线方法-度小视

冷库配电箱怎样接线

家庭配电箱配置接线图,终于有人整理出来了,清晰易懂,收藏看看

家用配电箱正规接线技巧

来一位专业电工接一下家庭配电箱的图,带浪涌保护器,所有开关如图片

成熟的投资者太少,定性太差.

家用12路配电箱接线图家庭220v灯开关接线图家用配电箱开关名称-家用

随机推荐

发现更多精彩图片

香港一代枭雄东邪曾江

罗德曼:90年代的nba没人能够胜过乔丹卡尔马龙如果抱团也能夺冠

球磨机衬板耐磨堆焊药芯焊丝/辊压机用堆焊耐磨焊丝厂家

直流电机-西安泰富西玛电机有限公司

90219992华硕vivobook v5000f - 抖音

卡通人挖地.园丁在种植前准备土壤.

民间故事连环画 牛郎织女连环画.大宝五年级的作品.

网红工厂 | 解决这两大问题,气雾剂化妆品规模将翻倍

金色麦田麦浪麦穗小麦田野田园风光农田农植物秋收图丰收图餐厅画