一种由uc3844组成的60w开关电源电路图

高清图片下载 免费 安全无风险
一种由uc3844组成的60w开关电源电路图

一种由uc3844组成的60w开关电源电路图

点击图片查看原图

图片信息

  • 格式: JPG
  • 尺寸: 650x412
  • 大小: 约1.2MB

版权声明

相关标签

自然风光 高清壁纸 4K画质

分享图片

相关推荐

基于当前图片的相似推荐

nt200atx开关电源ka3844b电路

3844电源的原理及维修

3844不作振荡之用,还能干嘛?

本文介绍的继电保护用开关电源设计中控制电路采用了uc3844 uc3844是

uc3844中文资料汇总uc3844引脚图及功能工作原理及应用电路

uc3844应用电路图大全充电器电路开关电源电路反激式变换电路

主题: uc3844提高其反馈电压

3844开关电源之原理图

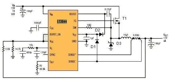
如果你想看到有关您可以如何使用lt3844 ic设计电源电路的更多细节,请

文档下载 所有分类 工程科技 电子/电路 > 经典大功率开关电源图纸fr

随机推荐

发现更多精彩图片

全译本原著原版无删减 世界文学名著书 初中高中小学生课外阅读书籍

40不惑,四十而已 愿往后余生,眼里是阳光,笑里是坦荡, 感 - 抖音

高级珠宝 | tiffany & co.

关于我转生变成史莱姆这档事 转生史莱姆日记 - 探讨萌王的料理方式

芙蓉王烟价格表2020价格表2020芙蓉王所有系列价格图片

在落日的背景下, 女性和男性手牵手的剪影.关系,爱情,约会主题.色调

商务首饰设计课程临摹的项链坚持打拉 继续画作业#珠宝手绘

刺客伍六七:不管怎么改名 他依旧是我喜欢的伍六七

迷你世界黑天鹅奥杰塔简笔绘画画的日常教程

鼻影要诀拯救扁平鼻