镀锌电缆桥架安装在单层机动车道内,采用槽钢或具有相应的规格,规格和

高清图片下载 免费 安全无风险
镀锌电缆桥架安装在单层机动车道内,采用槽钢或具有相应的规格,规格和

镀锌电缆桥架安装在单层机动车道内,采用槽钢或具有相应的规格,规格和

点击图片查看原图

图片信息

  • 格式: JPG
  • 尺寸: 3648x2736
  • 大小: 约1.2MB

版权声明

相关标签

自然风光 高清壁纸 4K画质

分享图片

相关推荐

基于当前图片的相似推荐

钢制镀锌桥架制造厂

不锈钢桥架图片,现在才更新的!

电保姆品牌 梯式 梯形桥架 强度高 应用矿区 厂房 钢结构的大跨度

热镀锌桥架金属品钢结构

gb/t 11253—2007 碳素结构钢冷轧薄钢板及钢带

热镀锌大跨距钢制桥架

大跨距桥架,大跨距电缆桥架,用于厂房,钢结构,室外车间,跨度大,结构轻

镀锌电缆桥架安装在单层机动车道内,采用槽钢或具有相应的规格,规格和

产品库 钢结构 桥架 镀锌梯式电缆桥架 喷涂梯式线槽

如工字钢,角钢,轻钢龙骨等结构上,电缆桥架直线段组装时,应先做干线

0成交0米防火喷塑桥架镀锌金属钢制弱电线槽热浸锌不锈钢铝合金200*

随机推荐

发现更多精彩图片

马歇尔认为,与维多利亚女王时代的瑞士军队一样,zippo标志"只是一种

全面屏壁纸高清秋天唯美意境图

新店开业促销海报word模板doc

修炼爱情吉他谱林俊杰c调简单版入门弹唱谱

《东风-12型手扶拖拉机结构挂图》一套18幅全

真武大帝曾遇天神授以宝剑入武当修炼42年功成圆满白日飞升

大美青要山.早上从8点开始进山,一路上欣赏风景没有人打扰,仿 - 抖音

昆明干挂铝板生产厂家天津铝单板安装

一个宇宙-聊天表情-搞笑图片表情包-表情包网站

儿童游乐设施_淘气堡_室内儿童乐园_儿童滑梯_幼儿园设备_无动力游乐

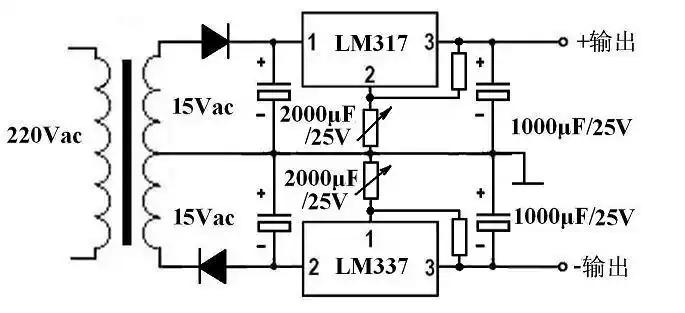
求稳压电源 -12v设计原理图一份,要求:1,--1.