数字功放芯片推荐单双声道可切换功放ic唯创知音wt8673

高清图片下载 免费 安全无风险
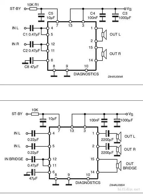
数字功放芯片推荐单双声道可切换功放ic唯创知音wt8673

数字功放芯片推荐单双声道可切换功放ic唯创知音wt8673

点击图片查看原图

图片信息

  • 格式: JPG
  • 尺寸: 1138x679
  • 大小: 约1.2MB

版权声明

相关标签

自然风光 高清壁纸 4K画质

分享图片

相关推荐

基于当前图片的相似推荐

全新原装正品 tda7379 芯片 数字功率放大器

卡仕达变3导航7388功放芯片改国产7850音效有提升

马自达悦联主机功放芯片更换tda7850a提升音质完美

tda7379功放电路图第1页

tda7388和tda7850功放芯片区别

sc8205a音频功放芯片 原装现货 稳定供应

kt1025a蓝牙音频芯片功放选型说明以及推荐电路-电子发烧友网

ht366,立体声20w功放芯片

2022年第3期高效线性氮化镓射频功放芯片模组研究

pa2030a进口拆机zip25车载汽车音频功放芯片ic其它元器件

nf是哪个国家品牌韩国nf耐福功放芯片介绍

随机推荐

发现更多精彩图片

马克笔动漫人物手绘上色全过程

26个英文字母表|英语字母书写格式

君乐宝红旗帜有喝这款奶粉的吗

用完的玻璃瓶酒瓶别扔,一招变艺术品,花钱都买不到!附教程!

成都花艺万物皆可包麻将花束

简单又可爱一学就会的公主儿童画教程, - 抖音

了不起图片社 | 老达保--拉祜族的最炫民族风

元气少女缘结神# #巴卫##头像##锁.

非人哉星君给精卫孵蛋鸟蛋太小进入屁股毛星君妈味十足