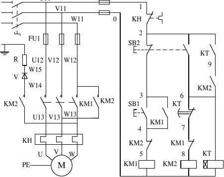
关于图示能耗制动控制电路,以下说法正确的是()?

高清图片下载 免费 安全无风险
关于图示能耗制动控制电路,以下说法正确的是()?

关于图示能耗制动控制电路,以下说法正确的是()?

点击图片查看原图

图片信息

  • 格式: JPG
  • 尺寸: 855x655
  • 大小: 约1.2MB

版权声明

相关标签

自然风光 高清壁纸 4K画质

分享图片

相关推荐

基于当前图片的相似推荐

图2-61无变压器单相半波整流单向启动能耗制动自动控制电路图

图5-25 电动机能耗制动控制电路

三相电动机能耗制动电路(二)

有变压器全波整流能耗制动控制线路实验

麻烦给张三相异步电动机正反转能耗制动控制电路的实际接线图!

电动机全波能耗制动控制接线示意图7,直流电源采用二极管单相桥式整流

随机推荐

发现更多精彩图片

明代德化窑白釉碗,单色白瓷_第1张_7788白瓷

草乌的功效与作用及禁忌

中国风仙连衣裙古风女童樱花公主襦裙唐装女孩新款古装粉色裙子100

庭院鱼池假山庭院假山鱼池假山假山假山流水庭院景观设计千层石假山

「新会旅游」带你玩转葵博园:传统和创新结合,散发出别样魅力!

有没有黑白漫画风的电脑壁纸

松下panasonic 婴儿迷你全自动波轮洗衣机 2.8公斤 xqb28-p200w 白色

世界读书日,深圳一位小朋友认真读书的样子萌翻了许多人

原来用瓜子皮还能做艺术,高手用瓜子皮做了一幅仙鹤图,堪比展览馆作品

2024pca专业咖啡冲煮大师竞技赛指定手冲壶品牌:mhw-3bomber轰炸机

毕业对账单——致我们那激情燃烧的青春岁月

京剧孙悟空脸谱类型和色彩