实训三 三相异步电动机自锁控制电路

高清图片下载 免费 安全无风险
实训三 三相异步电动机自锁控制电路

实训三 三相异步电动机自锁控制电路

点击图片查看原图

图片信息

  • 格式: JPG
  • 尺寸: 1040x732
  • 大小: 约1.2MB

版权声明

相关标签

自然风光 高清壁纸 4K画质

分享图片

相关推荐

基于当前图片的相似推荐

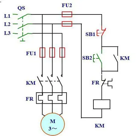
图1 电机自锁控制电路图

两个不自锁的按钮开关一个交流接触器,怎么实现一按启动和一按停止,不

电机自锁启动停止电路

最常见电路-自锁电路工作原理1启动电机启动时,合上电源开关qs,接通

17千瓦电动机接触器自锁电路安装与实物图

自锁电路加一个停止灯加一个运行灯电路图

一个不带自锁的开关如何控制电动机的启动停止?

三相电动机点动及自锁控制电路图

三相异步电动机自锁控制电路

自锁电路中,就接触器a1(图圈起来部分)那根线接的是什么,求大神告知

随机推荐

发现更多精彩图片

笔记有时候少说话多做事才是正确的选择

在莳萝上 machaon 绿毛毛虫的特写照片

女生qq头像可爱背影qq头像女生背影可爱清新唯美

阿凡达2概念图曝光潘多拉星球超美网友评论却很搞笑

龙须菜是什么菜(龙须菜是佛手瓜苗吗)-七大地

这是雷锋车,车身红色的颜色真喜庆啊!

小秦淮河 - 和希宁 - 图虫

老头地铁眯眼看手机表情包