苹果7p128g

高清图片下载 免费 安全无风险
苹果7p128g

苹果7p128g

点击图片查看原图

图片信息

  • 格式: JPG
  • 尺寸: 980x1743
  • 大小: 约1.2MB

版权声明

相关标签

自然风光 高清壁纸 4K画质

分享图片

相关推荐

基于当前图片的相似推荐

抖音图文来了 #苹果手机 苹果7p-128g 国行 全原 - 抖音

国行苹果7p 128g磨砂黑

苹果7p国行128g全原屏有背光688

今日福利 苹果7p 128g 成色98新 没磕碰 秒杀 几百块钱[机智][机智]

苹果7p128g国行大红三千不到九九新 [广告推广] 查看: 184 回复: 1

随机推荐

发现更多精彩图片

金华女子诈骗前男友近百万称为供小男友挥霍黑线

狄琪儿江应怜第一组非自截 源微博:_kid岁自截情头_阿潇有收藏啦超级

苏薇魔皱焕颜紧致套装的优雅分享

周九良 - 堆糖,美图壁纸兴趣社区

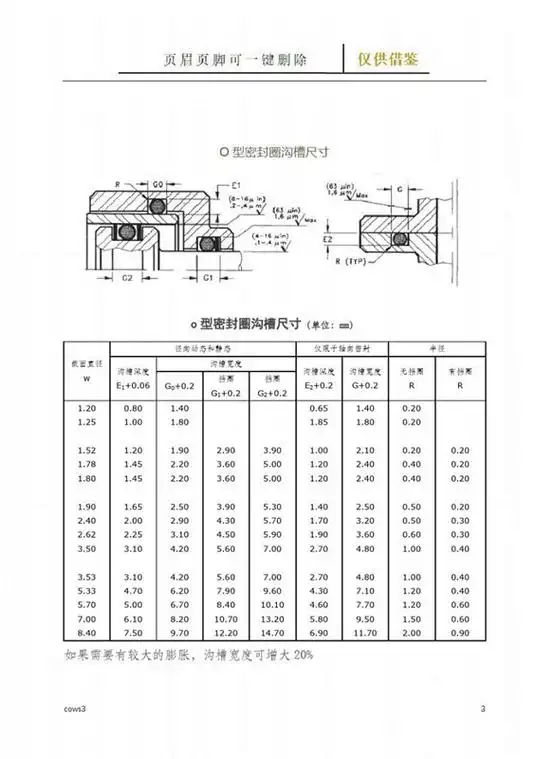
o型密封圈沟槽尺寸表

农民入党申请书300字范本.docx 4页

300_162gif 动态图 动图

海上送快递,还能钓鲨鱼

高贞碑的容字楷书字帖

迷你版"奔驰g",分时四驱带大梁,最小离地210mm,14.18w起

黑龙江水冲硅化木化石手把件树化石像草化石头原石雕料奇石山子料