2020流行"新立体"短发,一看就不一样,蓬松时尚美美哒_发型

高清图片下载 免费 安全无风险
2020流行"新立体"短发,一看就不一样,蓬松时尚美美哒_发型

2020流行"新立体"短发,一看就不一样,蓬松时尚美美哒_发型

点击图片查看原图

图片信息

  • 格式: JPG
  • 尺寸: 1080x1080
  • 大小: 约1.2MB

版权声明

相关标签

自然风光 高清壁纸 4K画质

分享图片

相关推荐

基于当前图片的相似推荐

头发多适合的发型女,十款减龄短发烫发

2020发型趋势范本合集:短中长发配氧气刘海,韩国网红们这样搭(圆脸

发型推荐#女性发型#显白发色 959930岁变20岁这发 - 抖音

时尚个性沙宣短发_时尚个性短发图片_沙宣短发发型图片2020时尚

20款轻熟风发型,时髦又减龄

2020年减龄波波头短发女图片波波头短发发型图片女2020

女生齐肩发型叫什么(齐肩发型图片女2020最新款)-百科学社

2020颜值不够发型来凑,想变美就不要错这些发型

中长发型设计图片大全(今年流行的从短到长发型推荐50款)(20)

上游时尚2020精选不老气发型16款无论长短都很美看看你喜欢哪一款

2020最时尚发型20款蓬松心动美美哒很多爱美女性都喜欢

2020年女孩必须理发,时尚和减龄|头发|刘海|发型_新浪新闻

随机推荐

发现更多精彩图片

tfboys - 堆糖,美图壁纸兴趣社区

lol英雄联盟第九十三期 狂野女猎手 (奈德丽) 4k原画壁 - 抖音

撩起衣服就是腹肌六块大腹肌好看吗

duckkids凉拖鞋家用男士夏家居浴室洗澡防滑小黄鸭卡通拖鞋女 黑色(主

skii面膜一盒20片 9990.新包装sk面膜20片装98 - 抖音

给孩子画的怪兽不知道叫什么名字91#怪兽 #奥特曼 #手绘 #画画

95年高配置丰田80越野车

(今日6.5折)99朵玫瑰花生日礼物女生送给老婆女友520情人节求婚创意走

外贸出口欧美原单 宝蓝色 宴会 礼服 鱼嘴鞋 防水台高跟鞋

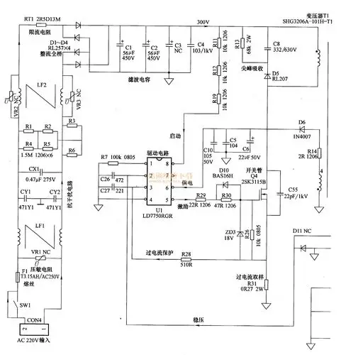
由驱动控制电路ld7750rgr(u1),mosfet开关管q4(25 k3115 b),开关

猎奇漫画《失忆的女儿》,一个可怕的死循环故事

美图赏析丨改造后的大水鸟r1300gs宝马中的战斗机