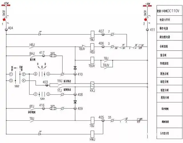
规范电气二次控制回路图集 价格: 95土木币vip: 48 土木币 下载dwg源

高清图片下载 免费 安全无风险
规范电气二次控制回路图集  价格: 95土木币vip: 48 土木币 下载dwg源

规范电气二次控制回路图集 价格: 95土木币vip: 48 土木币 下载dwg源

点击图片查看原图

图片信息

  • 格式: JPG
  • 尺寸: 1048x580
  • 大小: 约1.2MB

版权声明

相关标签

自然风光 高清壁纸 4K画质

分享图片

相关推荐

基于当前图片的相似推荐

详解二次回路的基本控制原理

二次回路(如何看懂二次回路图)

电气二次回路看图口诀

二次回路识图之断路器控制回路

二次回路(3分钟搞懂电气二次回路图)

高压线路二次回路原理电路图

二次回路原理图,展开图,接线图

二次回路识图方法讲解附案例

二次回路图中几个问题请教

二次回路典型故障处理实例

随机推荐

发现更多精彩图片

内娱最帅54位男艺人排名檀健次51白敬亭32任嘉伦20酷盖第2

世界上最丑的10辆车看到第7张彻底无语了

639海报印制海报展板素材838茶艺人生如茶品茶x展架

获奖名单小小作品深深感恩致敬人民教师

闺蜜头像‖"吃饭 睡觉 保持可爱"

琴瑟仙女娑娜英雄联盟7680x4320图片

战锤40000绿皮兽人开挂者搞毛神选碎骨者骨叔

贵重物品温馨提示语句 - 百度文库

pasha t精品写真视频第十三弹

不,家丑不可外扬,人丑就要多出去走走表情包 - 你不走我走续集 - 表情

为鼓吹美国太空军事化,美媒再炒中美太空战威胁