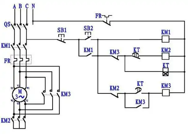
20个基本电路图讲解6张经典电机控制回路讲解一通百通秒变专家

高清图片下载 免费 安全无风险
20个基本电路图讲解6张经典电机控制回路讲解一通百通秒变专家

20个基本电路图讲解6张经典电机控制回路讲解一通百通秒变专家

点击图片查看原图

图片信息

  • 格式: JPG
  • 尺寸: 640x447
  • 大小: 约1.2MB

版权声明

相关标签

自然风光 高清壁纸 4K画质

分享图片

相关推荐

基于当前图片的相似推荐

手机充电器电路图讲解

星三角控制电路图讲解

电工必懂的7张电路图全看懂的给你点个赞

星三角启动电路实物接线讲解

串联并联习题讲解答案ppt

爆破用定时器电路 - 定时器电路图讲解

下面我们就用图解的方式讲解一下电动机星三角降压启动电路图,电气

我是小豆:如何看懂电路图,11个经典电路图实物讲解

我是小豆:如何看懂电路图,11个经典电路图实物讲解

我是小豆:如何看懂电路图,11个经典电路图实物讲解

( 电路图纸)基础知识讲解

电机正反转电路图讲解

随机推荐

发现更多精彩图片

夏日旅行目的地#情人是一生的牵挂

谢霆锋2025香港演唱会:二十年后,王者归来!

横屏壁纸|国风二次元|天空之梦系列

像素画简单可爱简笔画简笔画教程文化绘画像素画 简笔画 比耐心 - 65

白毫银针属于什么茶白毫银针的功效与作用

thombrowne汤姆布朗经典条纹全棉休闲长裤男士休闲裤

动物聚会#环创 #幼师 #动物派对 - 抖音

向日葵 #素描 #一起学画画#画渣日常 向日葵有一段很 - 抖音