图1 pwm控制电路

高清图片下载 免费 安全无风险
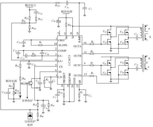
图1    pwm控制电路

图1 pwm控制电路

点击图片查看原图

图片信息

  • 格式: JPG
  • 尺寸: 368x234
  • 大小: 约1.2MB

版权声明

相关标签

自然风光 高清壁纸 4K画质

分享图片

相关推荐

基于当前图片的相似推荐

基于lm555简单的pwm控制电路

一种pwm开关稳压电源中控制电路的设计

pwm直流电机调速器仿真图(直流pwm调速原理)

pwm输出电路大神帮忙分析一下

简易pwm调速电路图分享详解

关于单片机pwm控制直流有刷电机电路

风扇自动温度控制(pwm)电路!(多路保险)

直流电机调速器的工作原理

基于单片机的pwm控制直流电机转速方法_陆雯

pwm驱动直流减速电机

pwm脉宽控制,除了可以用来调速,还可以用来控制电磁线圈的磁力大小

随机推荐

发现更多精彩图片

简介:《蓝胭脂》陶昕然剧照高清图片,分享一组陶昕然图片给大家,图中

优秀彩笔画儿童画图片教程 长发飘飘的妈妈

真人男生头像高清男头素质拿图

四驱车的发动机盖相比后驱版略有升高

【blackpink】「现场 消音」170830日语版《boombayah

c调撒野钢琴谱双手简谱

科技感竖条闪光壁画ktv酒吧舞厅包厢壁纸.#ktv包间设计 - 抖音

诗赞霸气的三湘名校涟源一中.一所中学校园诞生两所大学#校园 - 抖音

河北省石家庄市地球科学博物馆海洋生物化石