看懂电路图 电子元器件图片 电工培训教材 电气接线图 维修电工中级

高清图片下载 免费 安全无风险
看懂电路图 电子元器件图片 电工培训教材 电气接线图 维修电工中级

看懂电路图 电子元器件图片 电工培训教材 电气接线图 维修电工中级

点击图片查看原图

图片信息

  • 格式: JPG
  • 尺寸: 1986x1859
  • 大小: 约1.2MB

版权声明

相关标签

自然风光 高清壁纸 4K画质

分享图片

相关推荐

基于当前图片的相似推荐

电工实操考核中,最重要的7张电路图(行家收藏)

电工上下料位接线图

> 电工考证实际操作考台b板说明:b板考试内容为电动机拖动线路接线三

电工实操考核中,最经典的7张电路图(高清收藏版)

电工仿真模拟操作(无私奉献)

电工实操考核中,最重要的7张电路图(行家收藏)

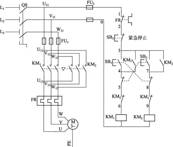
图1-23 三相异步电动机正反转控制接线图

请高手进来翻译下接线图.能翻译成实物吗?接触器连锁正反转控制

正反转演示文稿低压电工实操考试

电工考证 实际操作考台b板说明:b板考试内容为电动机拖动线路接线

技能培训课件 初级电工考试接线图答案

电工接线:电机可逆运行的接法?

随机推荐

发现更多精彩图片

厂家供应 印刷骨袋 pe封口袋 密实袋 自封骨袋8x5cmx9c 锁骨袋

许凯千古玦尘##许凯白玦

广西壮族自治区,清雍正年间的青花人物故事贯耳扁方壶

电视剧《恰似故人归》图片桌面壁纸

奥斯卡和宁荣荣的その瞬间

河北阜平中学2017级成人礼

何英明,颜祥森及市发改,工信部门负责同志参加.

团团农场大作战盲盒!磁吸三角块终于来了!

一代英主却非良人,美貌佳人逐渐枯萎,可怜的王后玛丽亚_亚历山大二世

八十年老火迷绘火影忍者——第七班冷板凳 佐井