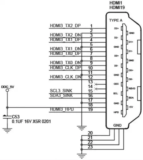
显卡维修图纸原理图点位图9系到30系的都有微星技嘉华硕的图纸

高清图片下载 免费 安全无风险
显卡维修图纸原理图点位图9系到30系的都有微星技嘉华硕的图纸

显卡维修图纸原理图点位图9系到30系的都有微星技嘉华硕的图纸

点击图片查看原图

图片信息

  • 格式: JPG
  • 尺寸: 1706x1279
  • 大小: 约1.2MB

版权声明

相关标签

自然风光 高清壁纸 4K画质

分享图片

相关推荐

基于当前图片的相似推荐

联想lxh-gj17l3 17吋液晶显示器高压背光板维修

电路,输出的供电电压不是固定不变的,而是根据独立显卡的工作状态而

vga显卡工作原理及种故障维修方法

请教大佬们,聊一下显卡核心缺一项供电到底能不能亮机问题.

cn209881967u_一种显卡独立输出多路视频信号的电路有效

显卡供电芯片rt8208工作原理

请教一个显卡风扇供电接线的问题

经常能遇到显卡核心电压没有 主芯片 显存都不短路 对地阻值都正常

随机推荐

发现更多精彩图片

tfboys身高到底有多高?

ysl逆龄粉底液b20回购第5瓶真实测评

经典向日葵风景电脑桌面壁纸

胖宝宝胖宝宝#哈温表情包 #可爱到爆炸99 #黄夏温小天使

探春#猫猫游河南 说走就走 高铁一日洛阳龙门石窟

感冒灵胶囊(华润三九)(感冒灵胶囊)_说明书_作用_效果_价格_百度健康

七龙珠激战传说--ur超级赛亚人桃红黑悟空登场!抽一轮试试水

各款独角兽高达胸像插画大家喜欢哪张

词曲作家,节目主持人,新疆军区文工团国家一级演员(专业技术3级,文职2