柴油发电机工作原理及如何接线图解

高清图片下载 免费 安全无风险
柴油发电机工作原理及如何接线图解

柴油发电机工作原理及如何接线图解

点击图片查看原图

图片信息

  • 格式: JPG
  • 尺寸: 500x705
  • 大小: 约1.2MB

版权声明

相关标签

自然风光 高清壁纸 4K画质

分享图片

相关推荐

基于当前图片的相似推荐

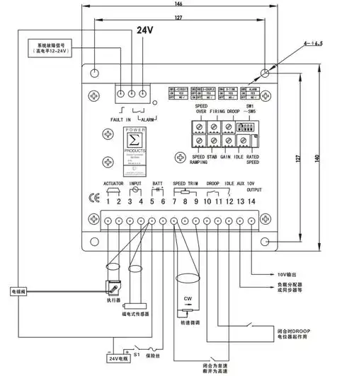
康明斯电子调速器接线分布图-柴油发电机组.png

解析康明斯柴油发电机易发故障三例

柴油发电机启动电瓶怎么接线?

两根线内调发电机改外条发电机

柴油发电机组的性能要求和一次接线图

康明斯柴油发电机组的控制系统工作原理

1号机并车接线图-康明斯柴油发电机组并联系统.png

图解康明斯发电机组调速器常见故障维修案例

供应的上柴,玉柴,康明斯,沃尔沃柴油发电机组产品功率范围为30kw

这汽车发电机怎么接线?

康明斯发电机组电路接线图

启动,控制和励磁系统在柴油发电机组上的接线布置图

随机推荐

发现更多精彩图片

矢量厂家直销字体设计

包包女2021新款澳凡茜品牌女包质感洋气手提包女单肩斜挎包女

像这样,将短发烫出大波浪卷度打造出蓬松小凌乱美感,不仅很修颜还能其

梦的光点-神兵小将op双手简谱预览5

二年级简笔画,做游戏,儿童,儿童画,儿童节,六一儿童节,卡通,可爱,圣诞

芭比娃娃 1999限量版 embassy waltz barbie doll【价格59美元】

tibetan language in minority languages

十孔口琴/布鲁斯口琴

欧式人物插画,人物造型华贵精美,画面很有质感

2022款奥迪a4l按键说明图解!一汽奥迪a4l 2022款 - 抖音

西安租房,一室一卫,落地窗可月付 900.西安租房,900米 - 抖音