抓图库
专业素材库
首页
热门图片
图片分类
图组推荐
VIP专区
登录
首页
热门图片
图片分类
图组推荐
VIP专区
登录/注册
尖椒
高清图片下载
免费
安全无风险
尖椒
点击图片查看原图
免费下载
VIP加速
图片信息
格式:
JPG
尺寸:
1200x1600
大小:
约1.2MB
版权声明
相关标签
自然风光
高清壁纸
4K画质
分享图片
微信
微博
QQ
相关推荐
基于当前图片的相似推荐
换一批
尖椒 原价6现价5.
查看详情
尖椒 原价6现价5.
青椒高清图
查看详情
青椒高清图
尖椒现价:2.68元/斤蘑菇现价:1.99元/斤叶桔现价:1.
查看详情
尖椒现价:2.68元/斤蘑菇现价:1.99元/斤叶桔现价:1.
青辣椒图片_青辣椒高清图片_全景视觉
查看详情
青辣椒图片_青辣椒高清图片_全景视觉
尖椒辣到手
查看详情
尖椒辣到手
乐美佳超市感恩父亲,粽享端午,购物满118元送抽纸一
查看详情
乐美佳超市感恩父亲,粽享端午,购物满118元送抽纸一
尖椒20cm以上 中辣 黄色
查看详情
尖椒20cm以上 中辣 黄色
天利购物广场特价有
查看详情
天利购物广场特价有
尖椒:3.99元/斤
查看详情
尖椒:3.99元/斤
红色,红辣椒图片_红色,红辣椒高清图片_全景视觉
查看详情
红色,红辣椒图片_红色,红辣椒高清图片_全景视觉
尖椒 无公害蔬菜 新鲜蔬菜 厂家直销
查看详情
尖椒 无公害蔬菜 新鲜蔬菜 厂家直销
尖椒10~15cm 中辣 靑色
查看详情
尖椒10~15cm 中辣 靑色
随机推荐
发现更多精彩图片
换一批
刘昊然刘亦菲 - aimo
查看详情
刘昊然刘亦菲 - aimo
张译喜欢刘浩存?真硬!
查看详情
张译喜欢刘浩存?真硬!
一个小女孩在河中游泳.
查看详情
一个小女孩在河中游泳.
老番推荐|《恶魔花嫁》画风绝美01
查看详情
老番推荐|《恶魔花嫁》画风绝美01
歼-20a是中方国最先进的隐形战机,据外媒报道,歼20的库存量今年可能
查看详情
歼-20a是中方国最先进的隐形战机,据外媒报道,歼20的库存量今年可能
我们为你量身定做了《品格素描石膏像》_训练
查看详情
我们为你量身定做了《品格素描石膏像》_训练
max factory figma 538 《fate/stay night [heavens feel]》 rider
查看详情
max factory figma 538 《fate/stay night [heavens feel]》 rider
色香味俱全美味的西式甜品早餐高清图片_唯美图片
查看详情
色香味俱全美味的西式甜品早餐高清图片_唯美图片
he is so cute9898 中岛敦#文豪野犬中岛敦# 太可爱了吧!
查看详情
he is so cute9898 中岛敦#文豪野犬中岛敦# 太可爱了吧!
山水创意logo设计
查看详情
山水创意logo设计
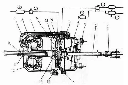
刹车底座固定断气刹车分泵总成原理图解
查看详情
刹车底座固定断气刹车分泵总成原理图解
江苏粉笔6月底大额优惠即将下架!【2024江苏省考封闭定制 - 抖音
查看详情
江苏粉笔6月底大额优惠即将下架!【2024江苏省考封闭定制 - 抖音