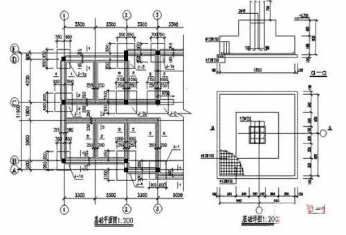
结构施工图中柱下扩展基础有哪几种?

高清图片下载 免费 安全无风险
结构施工图中柱下扩展基础有哪几种?

结构施工图中柱下扩展基础有哪几种?

点击图片查看原图

图片信息

  • 格式: JPG
  • 尺寸: 751x482
  • 大小: 约1.2MB

版权声明

相关标签

自然风光 高清壁纸 4K画质

分享图片

相关推荐

基于当前图片的相似推荐

建筑识图基础入门培训

造价基础-建筑识图大全从入门到精通

砖混结构住宅楼结构施工图(二层条形基础)

某建筑基础的平面图与剖面图如下图所示已经砖基础底标高为1600m图中

某砖混结构工程基础平面图及剖面图如下图所示.

砖混结构基础平面图

附件内含:砌体结构设计总说明(一),砌体结构设计总说明(二),基础平面

某砖混结构基础平面图

某钢结构独立基础计算书j-1

基础结构图中djj01,400是什么意思

随机推荐

发现更多精彩图片

宝宝针织帽子秋冬儿童护耳貉子毛球套头帽 ins婴儿帽可爱潮萌春秋

拿着红酒的女人,一个绿色的背景里拿着一杯红酒的女人

超声典型病例羊膜带综合征

新作游戏《jump大乱斗》是为了纪念jump漫画杂志50周年而推出的特别

《暗黑破坏神3国服》24种套装地下城入口介绍

白色万圣节幽灵矢量装饰元素

诗妮娜贵妃曾是玛哈国王钟爱的宠妃,但在过去的一年半里却被冷落,被迫

绘画 |【落日】简笔画第四期 从远方赶来,赴一场海边日落.

今天做的一例混合痔

王者荣耀漫画:明世隐教你如何优雅地上厕所!弈星学得很快!

组图:程砚秋复古情怀 裙舞飞扬显娇媚_高清图集_新浪网