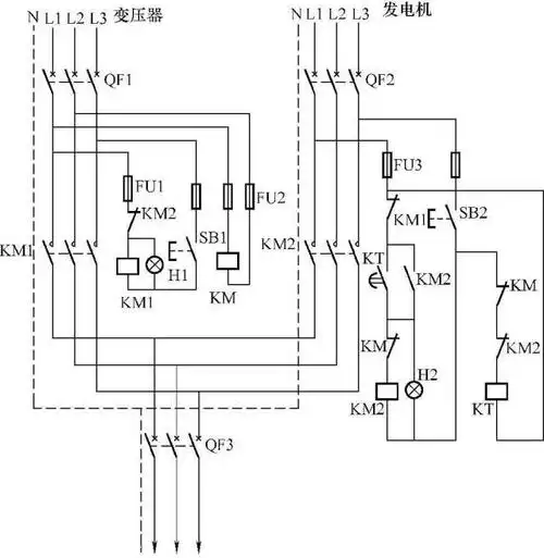
原理图13,单向反接制动控制电路以上所介绍的电气控制电路图的识图

高清图片下载 免费 安全无风险
原理图13,单向反接制动控制电路以上所介绍的电气控制电路图的识图

原理图13,单向反接制动控制电路以上所介绍的电气控制电路图的识图

点击图片查看原图

图片信息

  • 格式: JPG
  • 尺寸: 558x492
  • 大小: 约1.2MB

版权声明

相关标签

自然风光 高清壁纸 4K画质

分享图片

相关推荐

基于当前图片的相似推荐

电工识图基础知识一看就懂

双电源自动切换电路的识读方法

建筑设备电气控制电路图的识读方法

变频器正转控制电路的识读方法

实例分析,常用建筑电气设备电路图识读方法

电子电路识图从入门到精通电子元器件识读基础全彩图电子电路识图基础

二次回路识图方法讲解附案例

例如,电动机的主电路如图 1-1 所示,它表示了主电路的供电关系,它的

建筑设备电气控制电路图的识读方法

微波炉电路图典型微波炉电路的识图方法

典型电压力锅电路的识图方法

原理图13,单向反接制动控制电路以上所介绍的电气控制电路图的识图

随机推荐

发现更多精彩图片

第11届澳门国际电影节##关晓彤黑金裙

"珍爱湿地 人与自然和谐共生""百湖之市 湿地之城 武汉欢迎您"等字样

在线课堂 | 跟随书坛领军人物精修书法 张旭光为你指明行书技法飞升

站像微美陶瓷仿古阿弥陀佛白瓷阿弥陀佛像家居供奉摆件

杨幂野狼disco说rap这场也太炸了吧!表情酷冷太魅惑

梦幻,涂色大全,涂色游戏,画画游戏,秘密花园,秘密花园涂色,超级玛丽

普法宣传简报手抄报普法手抄报

美食快餐代金券2元图片

cos原神诺艾尔挖矿小能手70

不知不觉又做了好多粘土小花

【包税】balenciaga/巴黎世家 2021年新款 triple s系列 女士米色网眼

[9.5新]路易威登lv女士手拿经典漆皮老花长款拉链钱包卡包