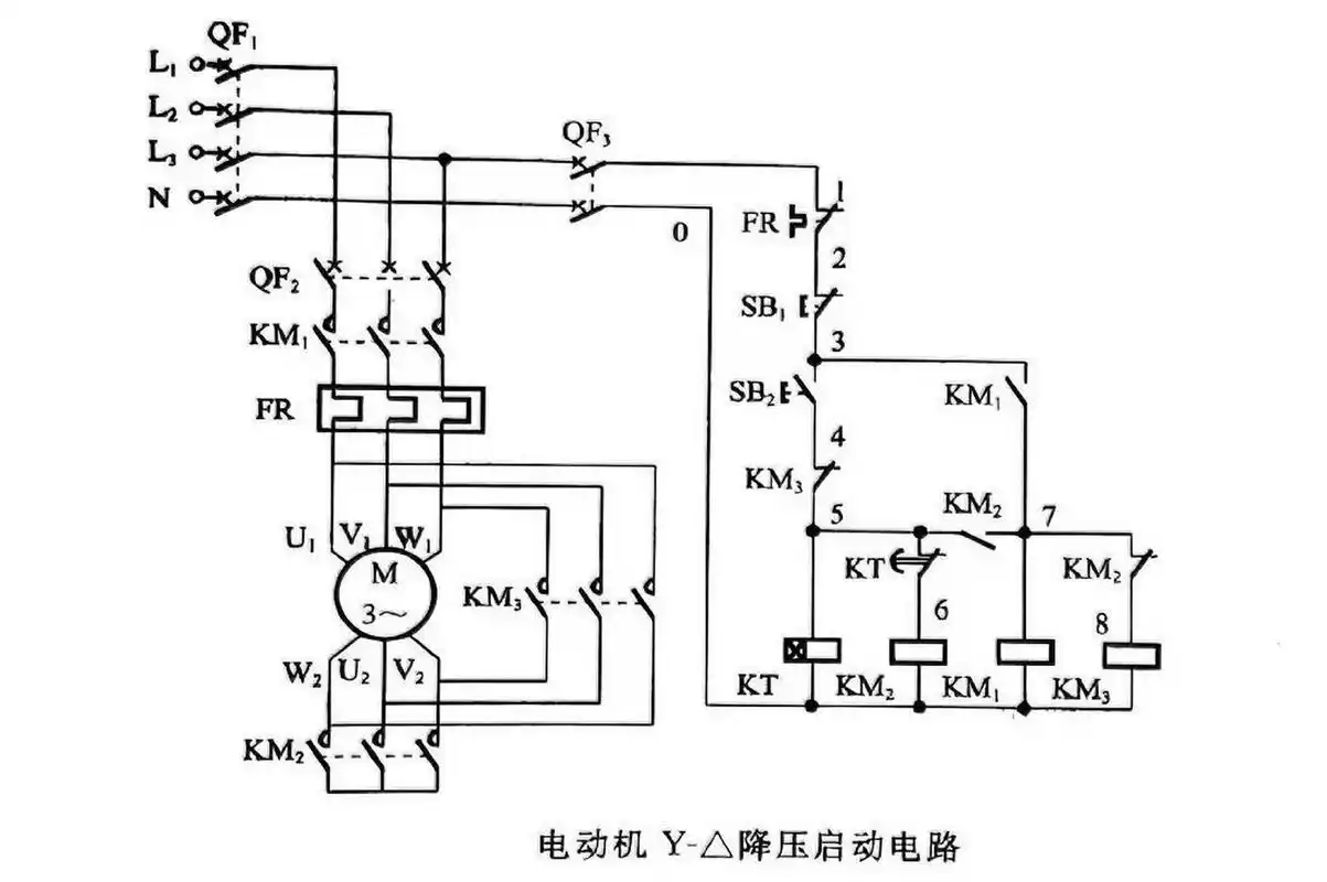
手动串联电阻启动控制电路(降压启动)

高清图片下载 免费 安全无风险
手动串联电阻启动控制电路(降压启动)

手动串联电阻启动控制电路(降压启动)

点击图片查看原图

图片信息

  • 格式: JPG
  • 尺寸: 928x599
  • 大小: 约1.2MB

版权声明

相关标签

自然风光 高清壁纸 4K画质

分享图片

相关推荐

基于当前图片的相似推荐

定子回路串电阻降压启动自动控制电路

串电阻降压启动-最常见电路-电工基础知识

识读串电阻降压启动控制电路原理图

定子绕组串接电阻降压启动控制

定子绕组串接电阻降压启动控制线路电动机启动时,在电动机的定子绕组

定子串电阻降压起动电路

y-△降压启动控制电路分析 y-△降压启动是异步电动机的一种降压启动

正反转串电阻降压启动电路图

电动机串电阻降压启动

两分钟搞懂三相异步电动机串电阻降压起动控制电路

绕线式转子异步电动机串接电阻降压启动电路

随机推荐

发现更多精彩图片

好看的霸气迈凯伦汽车图片合集电脑桌面壁纸下载第一辑

根据钱江新城-钱江世纪城双市中心的规划,钱江世纪城已经规划能及最高

43页|2024年全球社交媒体营销调研-亚太地区(附下载)_行业_报告_金融

致敬经典《水手》#吉他谱分享 #每日推荐音乐 #大学生创业v - 抖音

可分为细菌性阴道病,外阴阴道假丝酵母菌病和滴虫性阴道炎等,也有部分

红斑狼疮病医生红斑狼疮不是癌症治疗它要有3个心

地旅学院学子积极投身寒假社会实践绽放青春光彩

科莫多巨蜥和蟒蛇谁厉害(科莫多巨蜥与巨蟒打架)-七暖网

宝可梦八代风妖精依然是热门热度比在七代还要高