樱桃小丸子

高清图片下载 免费 安全无风险
樱桃小丸子

樱桃小丸子

点击图片查看原图

图片信息

  • 格式: JPG
  • 尺寸: 400x400
  • 大小: 约1.2MB

版权声明

相关标签

自然风光 高清壁纸 4K画质

分享图片

相关推荐

基于当前图片的相似推荐

教你几招正确调试压力

来自:豆瓣相册 小丸子神马的囧表情才有爱嘛ㄟ

这是什么人间疾苦(樱桃小丸子) - 一组可爱的樱桃小丸子表情_卡通表情

樱桃小丸子,樱桃子失望的表情动漫表情包精选:没有女装穿的绝望肥宅

樱桃小丸子爸爸一会一个主意小丸子对他很无奈只能埋头吃饭

小丸子搞笑图片 起风搞笑句子 我无所谓图片卡通

却发现成年人的很多苦与乐,无奈和痛苦,小丸子都讲过

随机推荐

发现更多精彩图片

般若手稿分享老吴纹身长期招收学员

秽土转生后的四代火影

十多年后再看何洁释小龙,一个身价过亿,一个证明郭德纲没说错

雨中秋果落,灯下草虫鸣.读古诗词,邂逅时光里那场温暖的秋雨

云烟中支金腰带多少钱一包 云烟中支金腰带价格2021-香烟网

家属提供的ct检查报告单. 来源:受访者

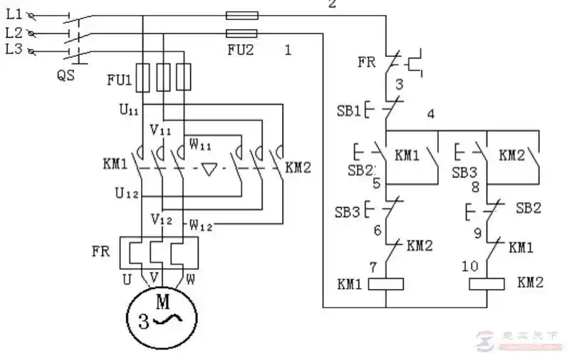
一例双重连锁正反转控制的电路图详解

核酸采样点的医疗废物怎么处理?答案是……_垃圾_检测_包装袋

莫名的心酸 感觉自己过的好累好累 此刻很无助 446 赞 8月前