朝阳网上贷款可靠吗|贷款成功案例分析_朝阳摩尔龙

高清图片下载 免费 安全无风险
朝阳网上贷款可靠吗|贷款成功案例分析_朝阳摩尔龙

朝阳网上贷款可靠吗|贷款成功案例分析_朝阳摩尔龙

点击图片查看原图

图片信息

  • 格式: JPG
  • 尺寸: 1330x2000
  • 大小: 约1.2MB

版权声明

相关标签

自然风光 高清壁纸 4K画质

分享图片

相关推荐

基于当前图片的相似推荐

浙江一大妈买海鱼半夜发绿光,科普博主:保存时感染了发光菌类

漂亮大妈(拍自一次采风活动的同伴)

早晨,我习惯在房前屋后走一走,邻居家的老大妈正在收获大蒜头,顺手拍

弱弱滴扫一扫不一样的大妈照5460岁

大妈变大咖有诀窍野百合也有春天

忍不住拍张照片臭美一下,人精神了,有气质了,从奶奶型转为大妈了

靓丽的大妈人像习作

靓丽的大妈人像习作

随机推荐

发现更多精彩图片

妈妈的爱母亲节海报背景素材

二次元动漫闺蜜头像|只有装作无所谓

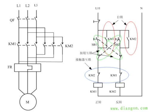
自锁一般用于自保持,互锁用于确定电机旋转方向.

个人情况&择校原因个人情况:日语n1,英语四级.

好嗨呦尼古拉斯#赵四

大学生毕业就业难,被指责看钱挑工作,朱少平:不看报酬看什么_理想

粉笔画火影忍者砂忍勘九郎

如有提交押金,手续费等环节请谨慎,避免产生交易问题!

秦时明月:韩信最想加入"纵横家",为何选择农家,原因令人咋舌_手机搜狐

回顾:42岁娶90后小娇妻,为爱情被逼脱毛,儿子未遗传长毛

九年吕不韦铜戈(图片由青川县文管所提供)