妈妈做饭的男孩子(1764x1485)下载五月 母亲节日(732x839)下载卡通

高清图片下载 免费 安全无风险
妈妈做饭的男孩子(1764x1485)下载五月  母亲节日(732x839)下载卡通

妈妈做饭的男孩子(1764x1485)下载五月 母亲节日(732x839)下载卡通

点击图片查看原图

图片信息

  • 格式: JPG
  • 尺寸: 260x314
  • 大小: 约1.2MB

版权声明

相关标签

自然风光 高清壁纸 4K画质

分享图片

相关推荐

基于当前图片的相似推荐

卡通深色系母亲节儿子背母亲手绘素材

关键词 : 卡通手绘,母子,背影,拢着,老人和小孩

工作的母亲和她的小儿子回家的背影

黄色背影爱心家庭责任背景图片工作卡通母亲背影元素温馨祝福png素材

街道母亲孤独的背影母亲节扁平风卡通母亲背影下载家人在车上的背影

【手绘孩子背影】图片免费下载_手绘孩子背影素材_手绘孩子背影模板

其它 背影2018 写美篇no.3 《小苹果和妈妈》

卡通妈妈和孩子背影素材pngpsd卡通母亲牵着孩子走路背影元素pngpsd

感恩母亲卡通手绘母亲节手牵手背影插画海报

小背影背影孩子卡通

随机推荐

发现更多精彩图片

陈宥维和刘文好像哈哈哈哈哈#陈宥维 #刘耀文

永久阳光绚烂3润红悄悄的漂亮句子(组图)-小聋知识网

戚薇cos孙尚香##戚薇李承铉cos孙尚香刘备##刘备孙尚香时之恋

同见证爱子的幸福农历十月初六诚邀您和家人光临共爱子

玉蝉 西周 | 山西博物院藏 | 1992年山西省曲沃县北赵村晋候墓地出土

马来西亚- -马六甲小娘惹.#马来西亚 #马六甲 #小娘惹 - 抖音

前行61追梦——记茂名市粤剧团青年文武生吴志平

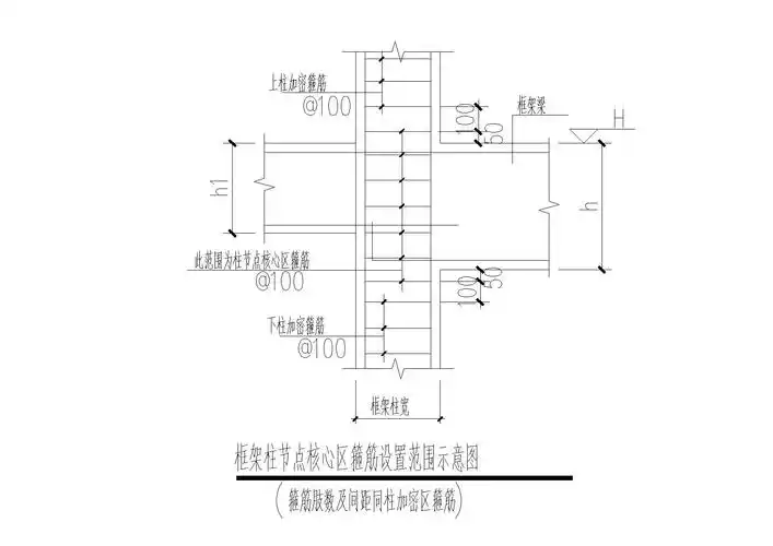
框架柱节点核心区箍筋设置范围示意图

菊花花茶夏季胎菊王养生养生花草茶500g桐乡正宗代用

马景涛有几个孩子 大女儿马世媛与后妈吴佳妮关系好