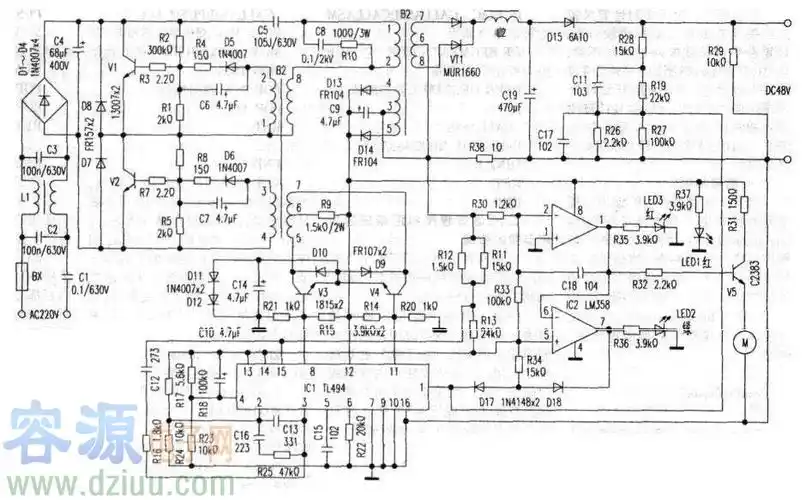
电动车充电器灯闪烁怎么维修

高清图片下载 免费 安全无风险
电动车充电器灯闪烁怎么维修

电动车充电器灯闪烁怎么维修

点击图片查看原图

图片信息

  • 格式: JPG
  • 尺寸: 1427x1621
  • 大小: 约1.2MB

版权声明

相关标签

自然风光 高清壁纸 4K画质

分享图片

相关推荐

基于当前图片的相似推荐

48v电动车充电高清电路图与原理详解

48v电动车充电器电路图

绿源电动车充电器48v

48v电动车充电器电路原理图

48v电动车充电器故障

在用直流电源给电动车进行充电,充电器的主要电路其实就是一个开关

收集电动车充电器电路图30张,以备不时之需

电动车48v充电器原理图与维修

48v电动车充电器原理图

48v电动车充电器原理图

随机推荐

发现更多精彩图片

皇家骑士贴吧(明明是皇家骑士)(8)

快手头像女生小清新森系幸好时光与你同在

大巴车简笔画大巴车简笔画儿童画

明代沈周册页小品高清合集欣赏

蒙古族花纹底纹图案 古典圆形镂空中式边框素材ai矢量

卡通古钟的简笔画 简笔画图片大全-普车都

动物园"龙凤胎"马来熊亮相 熊家族迎来大聚会

科创筑梦 创"画"未来——西安经开第一学校儿童科学幻想画作品欣赏(第

少儿美术|马克笔|飞向太空的小火箭04 1《飞向太空的小火箭04》