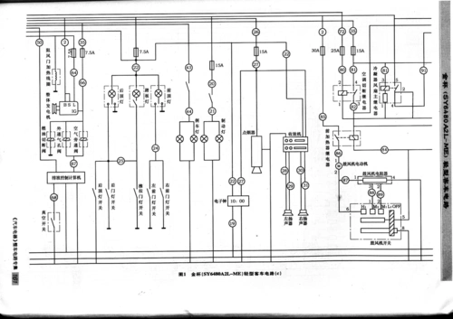
五通电磁阀亮个磁性开关继电器控制气缸再a,b两点做往返运动求电路图

高清图片下载 免费 安全无风险
五通电磁阀亮个磁性开关继电器控制气缸再a,b两点做往返运动求电路图

五通电磁阀亮个磁性开关继电器控制气缸再a,b两点做往返运动求电路图

点击图片查看原图

图片信息

  • 格式: JPG
  • 尺寸: 1654x2339
  • 大小: 约1.2MB

版权声明

相关标签

自然风光 高清壁纸 4K画质

分享图片

相关推荐

基于当前图片的相似推荐

led时钟电路图(只需要实现功能就可以,不需要别的任何条件,学生,做

家用电走线电路图,家庭用电布线电路图_大山谷图库

电动机自锁控制电路图(三相异步/自锁正转控制电路图)

zd6型电动转辙机电路图

比较典型的机床电路

求两台电动机顺时序启动逆时序停的电路图

求画一下电工电路图,谢谢!

双速电机用转换开关控制接触器正反转电路图

两个电动机互锁的电路图.要求电动机m1启动时m2停止,m2启动时m1停止.

别克赛欧汽车维修基础电路图

随机推荐

发现更多精彩图片

4k高清风景照片.可作为壁纸建议收藏! - 知乎

手机最美风景壁纸竖屏

beyond海阔天空指弹版吉他谱

高品质肌肉男,美国健美帅哥,健壮的肌肉男模garrett hawley

深圳地铁1号线在会展中心出站(疑似夹人)

治愈的动漫萤火之森情侣头像

三星4k显示器28英寸u28r550u28r550uqc桌面底座底托支架显示屏

冒三鲜时尚火锅,9月1号至9月10号为回馈新老朋友对本店的认可.

拥有这个大露台的瑜伽人好幸福!凉爽的秋天懒得出门, - 抖音

抖音胡66爱唱歌图片生活照胡66高清写真壁纸图片大全