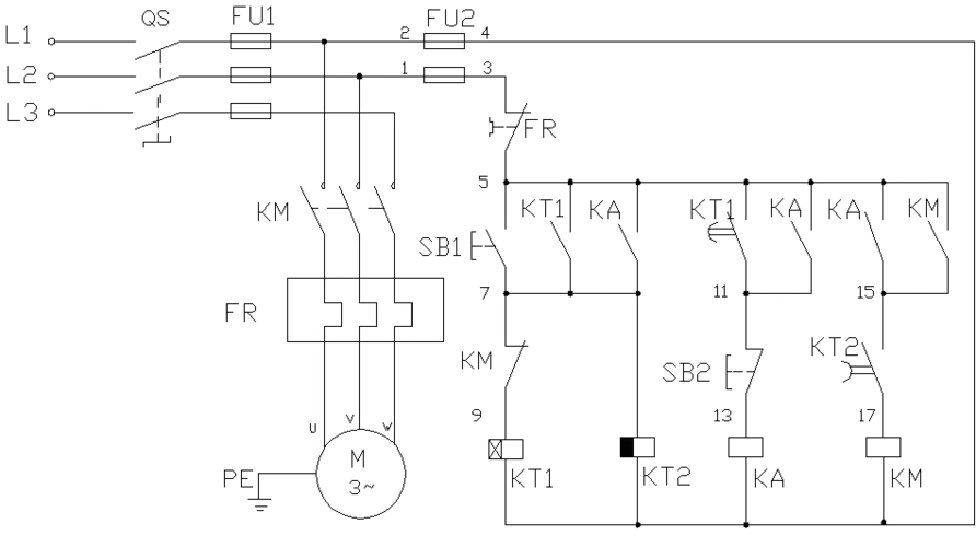
延时启动自动延时停止控制电路

高清图片下载 免费 安全无风险
延时启动自动延时停止控制电路

延时启动自动延时停止控制电路

点击图片查看原图

图片信息

  • 格式: JPG
  • 尺寸: 640x794
  • 大小: 约1.2MB

版权声明

相关标签

自然风光 高清壁纸 4K画质

分享图片

相关推荐

基于当前图片的相似推荐

25,零基础学电工-按下停止按钮电动机延时停止电路(仿真图)

延时开启——正转——停止——延时自动开启反转——停止.

3.1三相异步电动机延时启动,延时停止控制电路安装调试

动态创作月#三相电动机:1台延时控制 2台延时控制电路原理图!

两台电机同时起动,延时停止控制

电工基础与仿真-17空气延时触头控制电动机星三角起动电路

电机延时启动电路图

金工实习电工延时启动控制电路

延时5s后第二台电机启动 再延时20s后两台电机同时停止的控制电路图

电工常用电动机控制电路(三)

调速电动 - 2020年最新商品信息聚合专区 - 百度爱采购

随机推荐

发现更多精彩图片

41岁霍建华不仅是位高冷男神,也是一位懂保养的精致男神_心态_电视剧

老上肯超顶水纹达洛天珠

梁洛施豪车内大晒结婚钻戒,近照发福明显!

甜蜜可爱闺蜜姐妹漫画头像图片

中国电动大巴上路塔什干公交乘客数量暴增

山楂枸杞荷叶茶的功效

激光切割机哪些材料不能切?能切的材料能切多厚?

王羲之 #毛笔字自学 #书法练习打卡 #十七贴 #草书