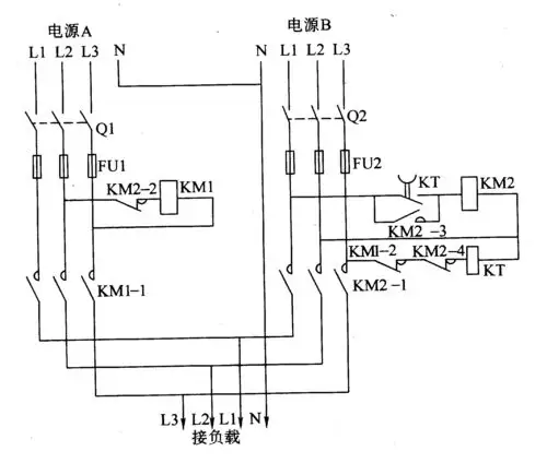
双路电源自动投切供电电路一

高清图片下载 免费 安全无风险
双路电源自动投切供电电路一

双路电源自动投切供电电路一

点击图片查看原图

图片信息

  • 格式: JPG
  • 尺寸: 2875x1614
  • 大小: 约1.2MB

版权声明

相关标签

自然风光 高清壁纸 4K画质

分享图片

相关推荐

基于当前图片的相似推荐

双路电源自动投切电路原理

双电源自动切换电路的识读方法

图8-20 双电源自动切换电路

双路电源自动投切电路原理

电路达人帮我做个双电源自动切换电路

dataguard如何实现切换如何实现双电源自动切换老电工经验分享一看就

cn205123396u_一种变电站直流双电源自动切换装置失效

用接触器实现双电源切换

双路电源自动投切供电电路二

10kv双电源备自投自动切换装置以及方法

一种双电源自动转换柜

随机推荐

发现更多精彩图片

轻松驾驭红色的女人:古力娜扎的红色系穿搭,明艳动人_时尚_连衣裙

最新早上好问候祝福语精选图片,富贵吉祥 早上好,有一种感觉叫做幸福

鱼包韭菜 - 搜狗百科

水彩,画,花,蜂鸟,春天 壁纸 - 1366x768

电气图常用图形符号(电气识图) 序号 图形符号 符号名称 1 开关(机械

这个是叫做肉痣吗?是不是可以切除?

树简笔画 树简笔画简单又好看

两轮机动车爆炸!_小汽车

38岁离异女征婚照片(id:82922278)_湖北武汉征婚交友_珍爱网

double德博吉他精灵g0加振民谣木吉他拾音器免开孔加震器专业演出