12v转交流220v逆变器设计

高清图片下载 免费 安全无风险
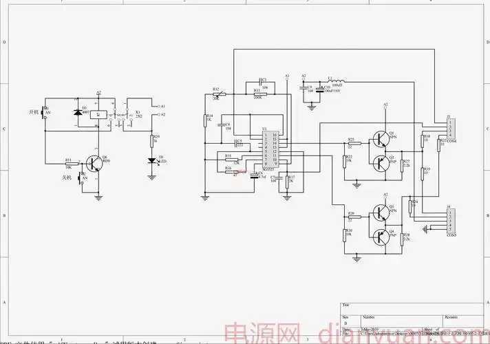
12v转交流220v逆变器设计

12v转交流220v逆变器设计

点击图片查看原图

图片信息

  • 格式: JPG
  • 尺寸: 607x350
  • 大小: 约1.2MB

版权声明

相关标签

自然风光 高清壁纸 4K画质

分享图片

相关推荐

基于当前图片的相似推荐

diy一个12v转220v的逆变器分享其原理图

怎样制作12v转220v逆变器

12v直流电逆变220v交流电电路图

12v输入转220v输出的逆变电源电路

分析一个12伏转220伏逆变器的原理,很适合初学者

1000w正弦波逆变器直流12v转交流220v电路图

50hz逆变器制作方法,12v转220v逆变器,非常实用

车载12v逆变器电路图

1000w正弦波逆变器直流12v转交流220v电路图

12v转220v的逆变器怎么做

逆变器原理图12vdc转220vac150w

随机推荐

发现更多精彩图片

背景图之情侣牵手手

我们再提供一些: 这也是一款可爱的发型,同样适合冬季哦.

1万元踏板摩托车,铃木uy对比豪爵afr优缺点,二选一怎么选?

京剧头饰简笔画京剧头饰简笔画图片

简笔画牵牛花简笔画

美妙天堂南米蕾签名索菲签名拉拉签名诗音签名丽安娜签名

17式作战鞋 夏季作战训靴男女拉链透气超轻作战靴战术保安靴安检鞋

哈利波特 别碰我手机 - 堆糖,美图壁纸兴趣社区