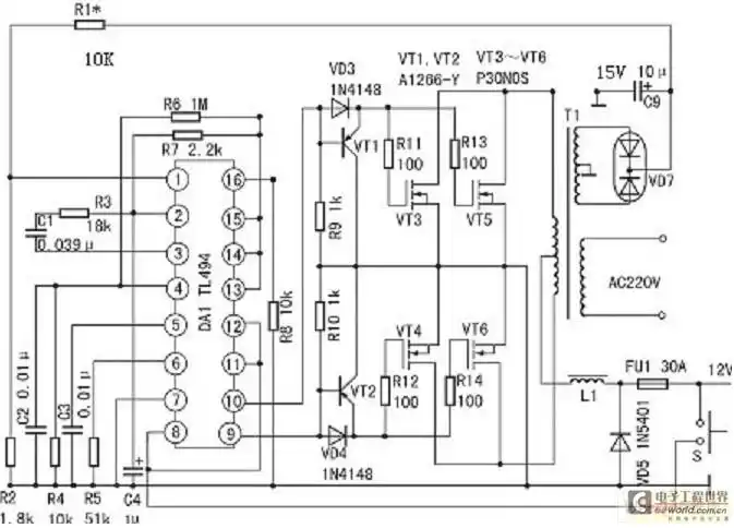
逆变器原理电路图解12v直流变成220v交流电

高清图片下载 免费 安全无风险
逆变器原理电路图解12v直流变成220v交流电

逆变器原理电路图解12v直流变成220v交流电

点击图片查看原图

图片信息

  • 格式: JPG
  • 尺寸: 530x448
  • 大小: 约1.2MB

版权声明

相关标签

自然风光 高清壁纸 4K画质

分享图片

相关推荐

基于当前图片的相似推荐

48v逆变220v简单元件接线电路图

48v5kw双向变换正弦波逆变器电路原理图免费下载

逆变器电路图大全之二

简易逆变电源电路图

diy一个12v转220v的逆变器,分享其原理图

逆变电源(将-48v直流电源逆变为1 - 变流,电压变换,逆变电路 - 电子

逆变器原理电路图解12v直流变成220v交流电

自制12v转220v逆变电源分享

逆变电源(将-48v直流电源逆变为1 - 变流,电压变换,逆变电路 - 电子

随机推荐

发现更多精彩图片

ios壁纸 | 苹果手机高清全屏壁纸

爱情有多美张晨光把谢美惠宠成公主更是把身家全给了她

宫崎骏动漫高清动态壁纸合集_酷酷帅帅-站酷zcool

再见!running man李光洙,不想分别,所以先说再见

广州酒家(临江大道店)-"老公超喜欢吃,点了四道点心,80多块.

水彩花卉睡莲附线稿详细步骤

tulipc做的海鲜香肠蛋炒饭

祝贺中华书局成立100周年

这名女子大声呼叫,导致愤怒中的段国诚连捅了这名女子数十刀,段国诚在

二十八星宿金色数字二十八 数字 28 在白色背景与下落阴影和 alpha

制作木头连发皮筋枪手手工手工制儿童玩具模型生日软弹枪