建筑图纸符号表示

高清图片下载 免费 安全无风险
建筑图纸符号表示

建筑图纸符号表示

点击图片查看原图

图片信息

  • 格式: JPG
  • 尺寸: 612x839
  • 大小: 约1.2MB

版权声明

相关标签

自然风光 高清壁纸 4K画质

分享图片

相关推荐

基于当前图片的相似推荐

建筑施工常用符号,代号与公式

下一页 你可能喜欢 施工图集 建筑图纸符号大全 建筑识图_详图介绍

建筑平面图设计图常用图形符号

【国标施工图符号,标注图例 符号图例】求精

第1页 你可能喜欢 给排水工程 给排水图例 电气符号大全 建筑电气设备

【国标施工图符号,标注图例 符号图例】求精

建筑工程图纸符号大全

随机推荐

发现更多精彩图片

tfboys合体了但没完全合体_高清图集_新浪网

神评论:三国演义中吕布6大饰演者 谁最经典?

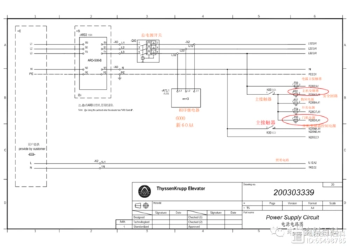
蒂森mc2电器原理图讲解带标注

狗狗蹄子 怎么了是不是什么皮肤病 用什么药啊 到哪里能买到?求助啊

在停尸间板上的一个小孩子的身体照片

麦克风话筒简笔画图片

(一)糟糕的情绪,糟糕的自我

迷你世界舞蹈和歌唱表妹跳舞将生物迷晕忆涵唱歌能索要物资

优佳爱婴母婴生活馆水晶街店

阿黎诗女士高腰连体无痕塑身衣收腹提臀包臀后脱式不卷边免穿内衣

连云港花果山-vr全景城市