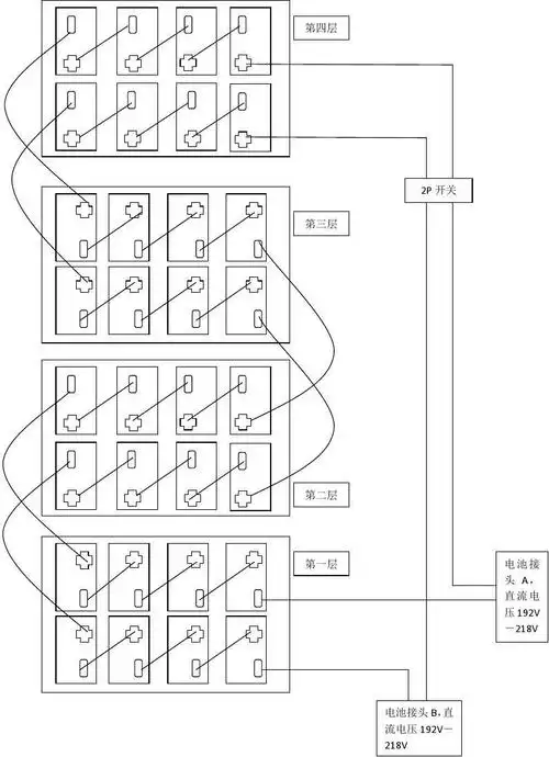
ups接线安装实例

高清图片下载 免费 安全无风险
ups接线安装实例

ups接线安装实例

点击图片查看原图

图片信息

  • 格式: JPG
  • 尺寸: 452x253
  • 大小: 约1.2MB

版权声明

相关标签

自然风光 高清壁纸 4K画质

分享图片

相关推荐

基于当前图片的相似推荐

32块12v 100ah ups电池组串联怎样出三根线

ups_a32电池箱内电池连接示意图_2组独立

32块12v 100ah ups电池组串联怎样出三根线

ups系统安装主要是蓄电池之间连接,蓄电池与ups主机之间的连接.

山特ups32节电池接线图

ups电池怎么更换?优比施教您更换!

单组96v接线图(12v蓄电池)单组192v接线图(12v蓄电池)两组36v并联接线

维谛ups连接维谛蓄电池电缆方法维谛精密空调维谛ups电源

数字电视机房ups电池安装图片

ups不间断电源电池常见接线

随机推荐

发现更多精彩图片

李沁现身机场,身穿黑色皮夹克搭配小黑裤,帅气又干练!_时尚_造型_身材

原创赵丽颖产后复出接广告大片,事业迎来高潮,一袭红裙美得惊艳

奥利给是什么意思网络用语加油打气的语气词现形容便便

【常识】古筝调音琴弦对应关系图

体位啪啪啪想要更持久 正确啪啪啪的姿势和方式有什么?_健康_热文推

最精辟的一句话点评中国帝王!

我最心疼的还是小破局本来刚开始还是跟复仇者联盟电影一样的尾灯导演

超亮眼的二次元萌妹泳装

秋季场景简笔画_秋天简笔画

kpl内外兼修的美女解说 第一期天云