7-10 直齿锥齿轮传动ppt

高清图片下载 免费 安全无风险
7-10 直齿锥齿轮传动ppt

7-10 直齿锥齿轮传动ppt

点击图片查看原图

图片信息

  • 格式: JPG
  • 尺寸: 1080x810
  • 大小: 约1.2MB

版权声明

相关标签

自然风光 高清壁纸 4K画质

分享图片

相关推荐

基于当前图片的相似推荐

sb锥齿轮,sby锥齿轮,khk锥齿轮,khk锥齿轴.khk伞齿轮,khk齿轮

直齿圆锥锥齿轮传动ppt课件ppt

ksp研磨弧齿锥齿轮.ksp精密研磨弧形伞齿轮,4级研磨弧形伞齿轮

供应【wd/沃德】标准直齿锥齿轮( 1 : 1)

khk伞齿轮,khk等径锥齿轮

成都西野优势品牌日本khk小原完成螺旋锥齿轮

成品弧齿等径锥齿轮mmsa2-20l/r

模数 2(mm) 齿数 20 齿宽 11(mm) 材质 s45c 外形 锥齿轮 轮齿位置

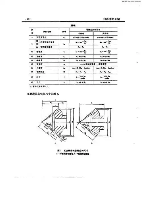
直齿锥齿轮传动的几何参数计算

随机推荐

发现更多精彩图片

原创别看李一桐人不红穿搭却一直在线丸子头配衬衫都能穿出高级感

杨幂《madamefigaro》六月刊封面大片,微湿卷发搭配 - 抖音

河南省郑州市金水区花园路街道纬二路省直住宅小区26号院天气预报

一个男人的脚踩到了一堆狗屎上

星光圆舞曲 提示:按f11切换浏览器全屏模式.

三缸祖师爷——旗舰仿赛车型贝纳利飓风1130(tornado1130) - 奇点

开放式衣柜开放式衣帽间u型网篮框衣物收纳分隔框架金属网篮衣柜配件

如果你不是收藏爱好者,不管是古董还是各种酒,最好不要买这种博古架和

南京东路步行街的夜景