亚急性湿疹:双小腿伸侧暗红斑,表面皮肤龟裂状

高清图片下载 免费 安全无风险
亚急性湿疹:双小腿伸侧暗红斑,表面皮肤龟裂状

亚急性湿疹:双小腿伸侧暗红斑,表面皮肤龟裂状

点击图片查看原图

图片信息

  • 格式: JPG
  • 尺寸: 888x665
  • 大小: 约1.2MB

版权声明

相关标签

自然风光 高清壁纸 4K画质

分享图片

相关推荐

基于当前图片的相似推荐

皮肤科胡爱玲急性湿疹出现红色疙瘩皮肤发红瘙痒流黄水怎么用药治疗

武汉治疗疑难皮肤病专家胡爱玲急性湿疹双脚起水泡糜烂行走困难中医

急性湿疹的常见症状

急性湿疹(1)皮损呈多形性,经过中常循一定规律,开始为弥漫性潮红,以后

随机推荐

发现更多精彩图片

宋佳的新照片太美了!

腰肌劳损真的能根治吗

灯笼简笔画.#图文伙伴计划 #简笔画 #画画 #雏趣美术#过 - 抖音

雪绒花(老人适用)_简谱

一些书,书柜 1242x2688 iphone xs max 壁纸,图片,背景,照片

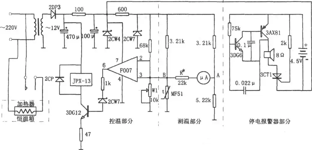
孵蛋温度控制器(f007)-电路图-aet-中国科技核心期刊-最丰富的电子

强推!《你的距离》广播剧完结篇报幕

咖啡屋标志矢量设计