a.唐朝(正确答案)b.明朝c.清朝d.明,清43,清朝以前汉族男子的发型是a.

高清图片下载 免费 安全无风险
a.唐朝(正确答案)b.明朝c.清朝d.明,清43,清朝以前汉族男子的发型是a.

a.唐朝(正确答案)b.明朝c.清朝d.明,清43,清朝以前汉族男子的发型是a.

点击图片查看原图

图片信息

  • 格式: JPG
  • 尺寸: 1024x723
  • 大小: 约1.2MB

版权声明

相关标签

自然风光 高清壁纸 4K画质

分享图片

相关推荐

基于当前图片的相似推荐

中国古代发型赏析(图解)】

【揭密】古代女子发型

古代发型比颜值重要原来绿帽子有如此来历

盘点6个明代少女/小侍女发型|传统汉服造型

古代女子满十五岁结发,用笄贯之,因此称女子满十五岁为及笄.

及笄是指多少岁,古代女子15岁(已到了结婚的年纪)

未婚发型在古代有及笄发型,已婚的发型,有妓女和一般妇女的发型,有

嘉宾为女生及笄,为男生加冠.武亚宁 摄

汉服配饰多宝淡水珍珠玛瑙烧蓝翡翠流苏及笄礼物唐风璎珞项链芸菲

古代女子各年龄段发型

古人各种年龄阶段的称呼看看你的年龄叫什么

及笄发型有哪些 各有什么特点

随机推荐

发现更多精彩图片

泰国芭提雅如何分区买哪里好

溺水小刀画师左恩zoe

花怜车#接上一次没发完的ov.

动漫gif女孩gif大笑gif高兴地有点早了gif

请问这是什么花,生长习性如何,如何养?

岳翎是《青青河边草》的女主杜青青,岳翎把这个角色演绎地活灵活现

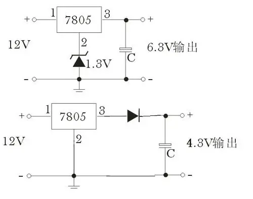
怎么用一个7805的稳压管加几个辅助元件设计一个输出为4.3v电压的电路

发一组柱帽施工照片,供大家参考一下 看看如何 发表一下意见 谢谢

贵州安顺:甜咪完的镇宁樱桃熟了

水墨人物pngpsd骑在驴背的长发老者古风图案pngai手绘水墨风披蓑衣的