杭州萧山机场新建t4航站楼出发层真漂亮呀 萧山机场新t4出发层真不错

高清图片下载 免费 安全无风险
杭州萧山机场新建t4航站楼出发层真漂亮呀 萧山机场新t4出发层真不错

杭州萧山机场新建t4航站楼出发层真漂亮呀 萧山机场新t4出发层真不错

点击图片查看原图

图片信息

  • 格式: JPG
  • 尺寸: 960x1280
  • 大小: 约1.2MB

版权声明

相关标签

自然风光 高清壁纸 4K画质

分享图片

相关推荐

基于当前图片的相似推荐

杭州萧山国际机场t1航站楼

杭州萧山机场航站楼

杭州萧山国际机场-t3航站楼-"亚运来临前,体验杭州机场.作为天堂的另.

杭州萧山国际机场航站楼

杭州萧山国际机场t4航站楼今起试运行

2022年6月,杭州萧山国际机场t4航站楼正面全景.作者:谭申捷 .jpg

杭州萧山国际机场航站楼_高清图片_全景视觉

杭州萧山机场新建t4航站楼出发层真漂亮呀 萧山机场新t4出发层真不错

杭州萧山国际机场t3航站楼

经典回顾杭州萧山国际机场t3航站楼商业形象设计项目

杭州萧山国际机场新建航站楼设计方案获批

第十名杭州萧山国际机场

随机推荐

发现更多精彩图片

教程 手 画法 各个形态 素材

象征着希望的可能性之兽机动战士高达uc独角兽高达机体介绍

男生证件照|南宁男士精致一寸照 男生精致证件 欢迎约拍

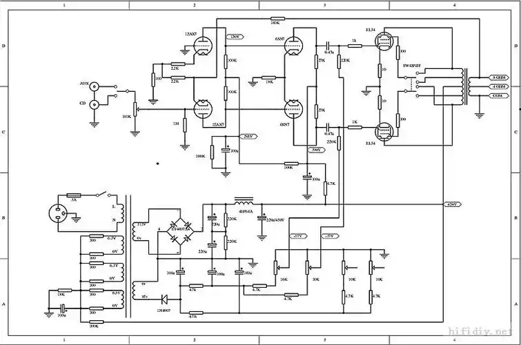
一款el34推挽胆机的实验制作

60张白描线描敦煌舞姿,先收藏!

无人,竖图,室外,特写,白天,美景,植物,叶子,景观,粉色,自然,春天,树苗

冰淇淋头像可爱卡通