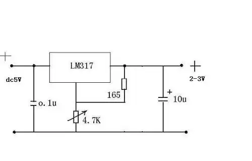
求12v转5v的简单电路

高清图片下载 免费 安全无风险
求12v转5v的简单电路

求12v转5v的简单电路

点击图片查看原图

图片信息

  • 格式: JPG
  • 尺寸: 507x660
  • 大小: 约1.2MB

版权声明

相关标签

自然风光 高清壁纸 4K画质

分享图片

相关推荐

基于当前图片的相似推荐

输入电压范围不大于35v,输入输出压差2v,最大输出电流1

车用12v转5v接口电路实绘图

proteus仿真 220v转12v(5v)电源电路 仿真源文件

不用7805,7805发热太严重,不够节能,有没有节能的12v转5v电路,用芯片

12v,5v直流稳压电路设计问题,高分求助!

xl6009设计的大电流5v转12v升压电路

如何把12v电压转为5v~3.3v可变电压

sl3038 dc48-85v转12v5a-10a 电动车转换器

5v稳压电源电路图(帮我看看这个图!)急

dc8v-150v转5v3a转12v5a电动车控制器专用集成电路

求一个简易5v转12v升压电路

随机推荐

发现更多精彩图片

民泰银行温岭横峰支行第二次为客户举办生日会

宝超多可爱单身头像

脖子正面有痣(脖子正面痣相图解大全)

刘竞倚天杀青在即周芷若文戏细腻武戏精彩

公司业务运营流程图

中央电视台文艺中心导演 王冼平

(附7岁以下儿童的身高体重标准)

榆树市只争朝夕阔步迈向新征程

中国四大名园 扬州个园

首汽的单子多不多 首汽共享汽车保险合同