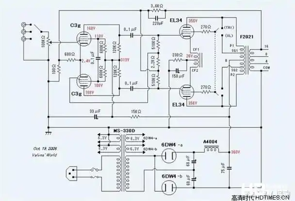
再来10张.电子管功放原理图

高清图片下载 免费 安全无风险
再来10张.电子管功放原理图

再来10张.电子管功放原理图

点击图片查看原图

图片信息

  • 格式: JPG
  • 尺寸: 640x498
  • 大小: 约1.2MB

版权声明

相关标签

自然风光 高清壁纸 4K画质

分享图片

相关推荐

基于当前图片的相似推荐

电子管otl功放原理及电路(电路图看不清点击可放大)

电子管功放电路大全

电子管技术区〓 - 矿石收音机论坛 - powered by discuz!

电子管功放原理图再来10张.

电子管功放电路大全

电子管胆机功放电路图

新型五极功率电子管otl功放电路

译文:6n1 kt88电子管单端胆机功放原理图

电子管固定栅负压方式功放电路

请教6p1推挽机调整 - 〓电子管技术区〓 - 矿石收音机论坛 - powered

为本坛3141 朋友设计的 100w 高保真全平衡电子管功放(兼谈机器装调)

自制的6j1 6p1小功放,抛砖引玉 - 〓电子管技术区〓 - 矿石收音机论坛

随机推荐

发现更多精彩图片

秋日发色 亚麻棕色超级显白

想要刘耀文可爱的照片,可以吗?

新锐|王凯 歌剧也可以很流行

王一博 你吃饭小口一点

搞笑gif哇好厉害妹子怎么做到啊

天津友发镀锌管一级代理15822633221

练琴神器演.光遇弹琴小白如何快 - 抖音

彩色304不锈钢花园大门

白条猪肉3月上半月价格上涨下旬行情如何演绎

幼儿园的门窗有哪些设计要求

tl431bqdbzrq1稳压器芯片中文资料pdf数据手册引脚图产品手册产品参数