硬笔练习no8长歌行

高清图片下载 免费 安全无风险
硬笔练习no8长歌行

硬笔练习no8长歌行

点击图片查看原图

图片信息

  • 格式: JPG
  • 尺寸: 1080x810
  • 大小: 约1.2MB

版权声明

相关标签

自然风光 高清壁纸 4K画质

分享图片

相关推荐

基于当前图片的相似推荐

长歌行作品汇报来啦

《长歌行》少壮不努力 老大徒伤悲 古诗临摹《长歌行》

刘锋 [楷书 汉乐府长歌行]

每日练字打卡 #让孩子爱上古诗词 #长歌行 #诗词

105长歌行书读百遍其义自见

2021年三年五班第三次书法作品汉乐府长歌行寄愿我们珍惜青春及时努力

孙静妤硬笔书法参赛作品长歌行

孙静妤硬笔书法参赛作品长歌行

谁有欧体 长歌行>书法作品?

2021年三年五班第三次书法作品汉乐府长歌行寄愿我们珍惜青春及时努力

随机推荐

发现更多精彩图片

你见过手动挡的保时捷卡宴吗,堪称稀有物种,全网寻找车主!

每日推荐六道烧烤:烤辣椒

比利时画家renémagritte勒内马格里特超现实主义绘画作品一组

落叶知秋up生日作北京公交pov075333路全程pov西苑安宁庄东路南口

韩国原单 个性麻花 圆弧下摆毛衣 女士针织线衣甜美百搭 时尚

中国风竹子墙贴纸贴画书房客厅公司办公室墙壁装饰品中式扇形框画

971.擦洗干净轮胎(提前一晚准备 自然风干) 972.

红日机械厂家7cx2单轴两轮车斗农用半挂自卸拖车双轴四轮半挂拖车

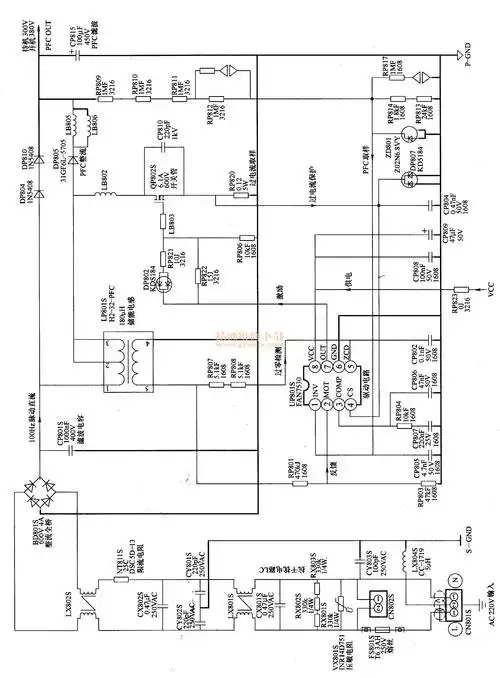
三星液晶彩电bn44-00260a电源 背光灯二合一板中的有源pfc电路如图

蓝天白云下,广场草坪上的红旗飘扬.